Renesas Electronics ISL81807 80V Dual Synchronous Boost Controller

Renesas Electronics ISL81807 80V Dual Synchronous Boost Controller generates two independent outputs or one output with two interleaved phases for various industrial and general-purpose applications. With broad input/output voltage ranges, the controller is suitable for telecommunications, data centers, and computing applications. The ISL81807 provides a gate driver voltage of 5.3V. With small dead time setting, the controller is perfect for E-mode GaN FET devices.

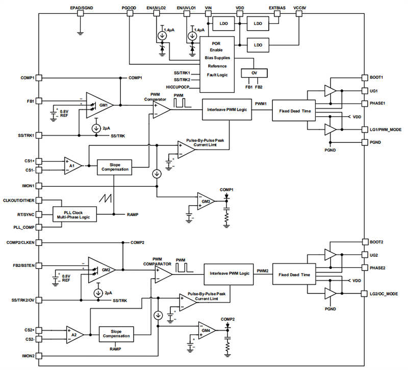
The 32-lead 5mm x 5mm TQFN packaged ISL81807 uses peak current mode control with phase interleaving for the two outputs. Each output features a current monitor, voltage regulator, and average current regulator to provide independent average voltage and current control. An internal phase-locked loop (PLL) oscillator ensures accurate frequency settings from 100kHz to 2MHz. The oscillator can be synchronized to an external clock signal for frequency synchronization, and phase interleave paralleling applications. This PLL circuit outputs a phase-shift-programmable clock signal for multi-phase cascade synchronization with the required interleaving phase shift.

The Renesas ISL81807 features programmable soft-start, accurate threshold enable functions, and a power-good indicator to simplify power supply rail sequencing. To ensure high reliability, the component provides full protection features such as OVP, UVP, OTP, and average/peak current limit on both outputs.

Features

  • Wide 4.5V to 80V input voltage range
  • Wide 5V to 80V output voltage range
  • 5.3V gate drive voltage
  • 4x FET drivers
  • Constant output voltage and output current feedback loop control
  • Light-load efficiency enhancement, low ripple diode emulation, and burst mode operation
  • Programmable soft-start
  • Supports startup into pre-biased rails
  • 100kHz to 2MHz programmable frequency range
  • Supports current sharing with cascade phase interleaving
  • External clock sync
  • Clock out with accurate phase angle controlled by PLL or frequency dithering
  • PGOOD indicator
  • Input current monitor
  • Selectable mode between PWM/DE/Burst
  • ±2% accurate EN/UVLO threshold
  • Low 5µA shutdown current
  • OCP (pulse by pulse and optional hiccup or constant current mode), OVP, OTP, and UVP protections

Applications

  • Telecommunications
  • Server and data centers
  • Automotive electronics
  • Industrial equipment
  • Power systems

Typical Application

Application Circuit Diagram - Renesas Electronics ISL81807 80V Dual Synchronous Boost Controller

Block Diagram

Block Diagram - Renesas Electronics ISL81807 80V Dual Synchronous Boost Controller
Publicado: 2023-12-11 | Actualizado: 2024-01-08