Renesas Electronics ISL81801 80V Buck-Boost Controllers
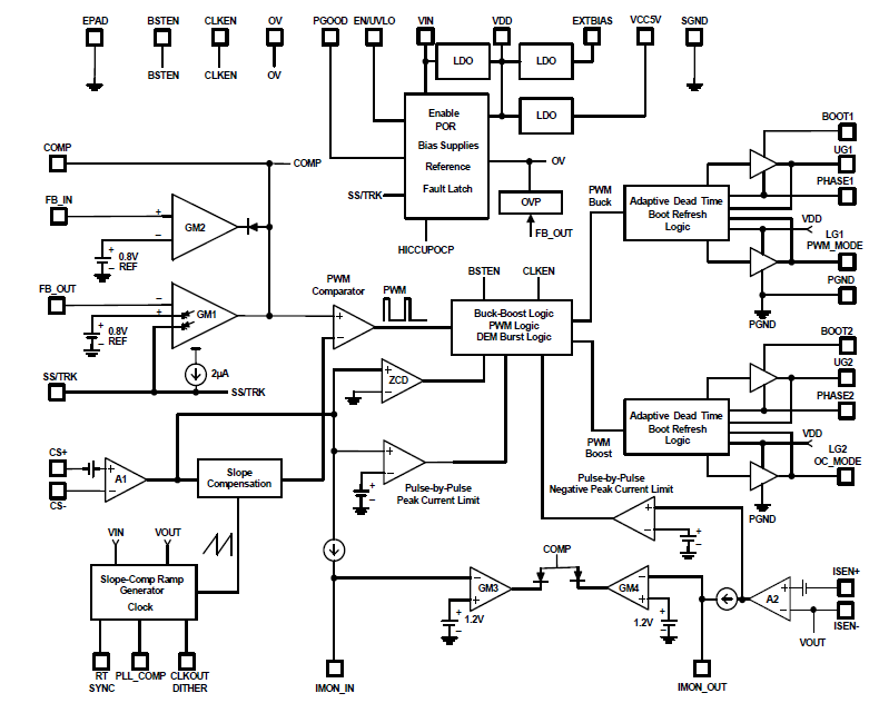
Renesas Electronics ISL81801 80V Buck-Boost Controllers are true bidirectional four-switch controllers that provide peak and average current sensing and monitoring at both ends. These controllers feature a proprietary buck-boost control algorithm, valley current modulation for boost mode, and peak current modulation for buck mode control. The ISL81801 controllers support parallel operation current sharing with cascade phase interleaving and provide selectable PWM mode operation between PWM/DE/burst modes. These controllers operate within a 4.5V to 80V input voltage range, 0.8V to 80V wide output voltage range, and 100kHz to 600kHz programmable frequency range. The ISL81801 controllers are available in TQFN and HTSSOP packages that use an EPAD to improve thermal performance and noise immunity. These controllers are used in battery backup, redundant power supplies, medical equipment, security surveillance, aftermarket automotive, renewable energy, and battery-powered industrial applications.Features
- Single inductor 4-switch buck-boost controller
- On-the-fly bidirectional operation with independent control of voltage and current on both ends
- Proprietary algorithm for smooth mode transition
- MOSFET drivers with adaptive shoot-through protection
- Supports parallel operation current sharing with cascade phase interleaving
- External sync with clock out or frequency dithering
- Output and input current monitor
- Accurate EN/UVLO and PGOOD indicator
- Supports startup into pre-biased rails
- External bias for higher efficiency for 8V to 36V input
- Selectable PWM mode operation between PWM/DE/Burst modes
- 100kHz to 600kHz programmable frequency range
- 4.5V to 80V input voltage range
- 0.8V to 80V output voltage range
- 2.7µA low shutdown current
Applications
- Battery backup
- UPS/storage systems
- Battery-powered industrial applications
- Renewable energy
- Aftermarket automotive
- Redundant power supplies
- Robots and drones
- Medical equipment
- Building and industrial automation
- Security surveillance
Block Diagram
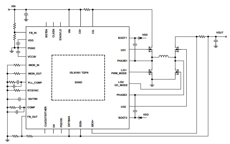
Typical Application Diagram
Publicado: 2020-12-15
| Actualizado: 2023-12-11
