Renesas Electronics ISL78264 Dual Synchronous Buck Controller

Renesas Electronics ISL78264 Dual Synchronous Buck Controller is a dual-controller device that supports two DC-DC channels, Buck 1 and Buck 2, that can be configured in various modes and operate across a VIN range of 3.75V to 42.0V. Buck Converter 1 can be configured as a fixed 3.3V, fixed 5.0V, or as an adjustable output Buck regulator from 0.8V to 5.0V. Buck Converter 2 has an adjustable output that can be set in the range of 0.8V to 32V. If the proper external components are selected, the ISL78264 can support significantly more than 10A of load current with each Buck converter. To mitigate EMI, this device supports synchronization to an external clock or programmable spread spectrum clocking.

The ISL78264 integrates robust MOSFET drivers and readily supports step-down applications requiring high output currents in normal operation. For applications that must also sustain extremely low-power, always-on operation, its energy conservation mode can reduce operating current to 6µA. Integrated feedback for VOUT1 is provided for 3.3V or 5.0V applications to eliminate the current otherwise flowing in external feedback resistors. Automatic switchover to an external supply is also supported to maximize efficiency. A blocking diode is activated after startup to prevent the external supply from back-biasing a low input voltage at VIN.

The Renesas Electronics ISL78264 Dual Synchronous Buck Controller is AEC-Q100 Grade 1 qualified and is specified to operate across an ambient temperature range of -40°C to 125°C. This device is available in a 5mm x 5mm Wettable Flank Quad Flat No-Lead (WFQFN) package.

Features

  • 3.75V to 42.0V VIN operating range 
  • Low quiescent current, 6µA typical, one channel
  • 200kHz to 2MHz switching frequency
  • Dropout mode for high duty-cycle operation
  • 25ns on-times for low duty-cycle operation
  • External synchronization
  • Programmable spread spectrum clocking
  • 180° phase shift between channels
  • 2A sourcing/3A sinking MOSFET drivers
  • Boot UVLO and programmable boot refresh time
  • Extensive protection mechanisms for OV/UV/OC/OT
  • -40°C to 125°C operating temperature range
  • 5mm x 5mm WFQFN32 package
  • AEC-Q100 Grade 1 qualified
  • RoHS Compliant

Applications

  • Automotive 12V systems
  • Infotainment systems
  • Cockpit safety systems
  • Advanced Driver Assist Systems (ADAS)

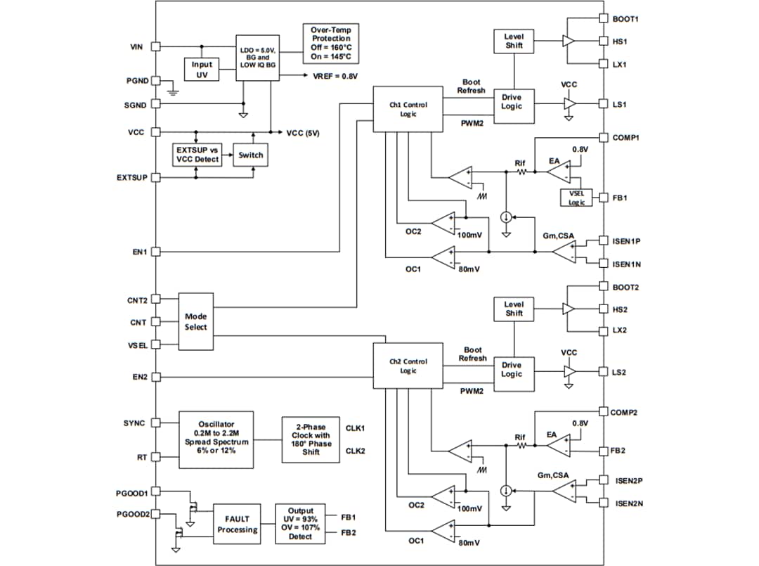
Block Diagram

Block Diagram - Renesas Electronics ISL78264 Dual Synchronous Buck Controller

Typical Application Circuits

Application Circuit Diagram - Renesas Electronics ISL78264 Dual Synchronous Buck Controller

Package Outline

Mechanical Drawing - Renesas Electronics ISL78264 Dual Synchronous Buck Controller
Publicado: 2020-08-04 | Actualizado: 2023-06-20