Raspberry Pi Compute Modules 1, 3, & 3 Lite (CM1 / CM3 / CM3L)

Raspberry Pi Compute Modules 1, 3, and 3 Lite (CM1/CM3/CM3L) are mechanically compatible with DDR2-SODIMM and contain a processor, memory, eMMC flash (CM1 and CM3), and the supporting power circuitry. These system on modules (SoMs) enable users to leverage the Raspberry Pi hardware and software stack in their own designs and form factors. The CM1 features a BCM2835 processor (same as the original Raspberry Pi and Raspberry Pi B+ models), 512MB LPDDR2 RAM, and 4GB eMMC flash. The CM3 has a BCM2837 processor (same as Raspberry Pi 3), 1GB LPDDR2 RAM, and 4GB eMMC flash. The Lite (CM3L) module is the same as CM3, except the eMMC flash is not fitted, and SD/eMMC interface pins are available for users to connect an SD/eMMC device. Raspberry Pi Compute Modules 1, 3, and 3 Lite include extra IO interfaces compared to Raspberry Pi model A/B boards, expanding design options for users.

Features

  • Compact sizes
  • 4GB eMMC flash memory, or Lite variant without eMMC flash memory
  • Low power
  • High reliability
  • Module IO pins have 35µ hard gold plating
  • Cost-effective modules

Specifications

  • Peripherals
    • 48x GPIO
    • 2x I2C
    • 2x SPI
    • 2x UART
    • 2x SD/SDIO
    • 1x HDMI 1.3a
    • 1x USB2 HOST/OTG
    • 1x DPI (parallel RGB display)
    • 1x NAND interface (SMI)
    • 1x 4-lane CSI camera Interface (up to 1Gbps per lane)
    • 1x 2-lane CSI camera Interface (up to 1Gbps per lane)
    • 1x 4-lane DSI display Interface (up to 1Gbps per lane)
    • 1x 2-lane DSI display Interface (up to 1Gbps per lane)
  • Software
    • Armv6 (CM1) or Armv8 (CM3, CM3L) instruction set
    • Mature and stable Linux software stack
      • Latest Linux Kernel support
      • Many drivers upstreamed
      • Stable and well-supported userland
      • Full availability of GPU functions using standard APIs

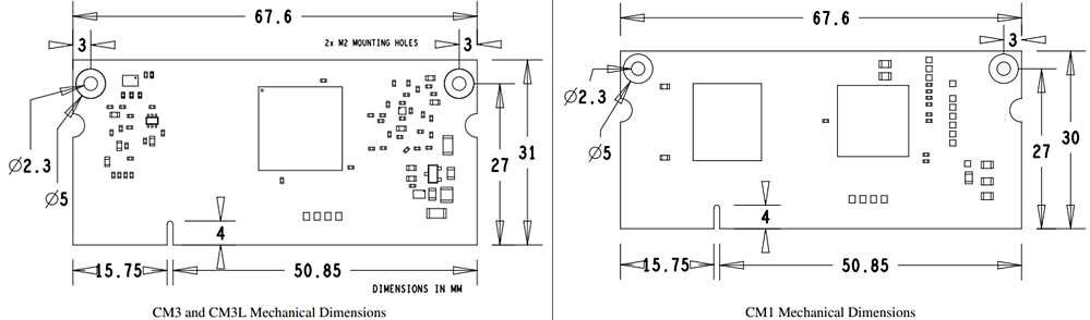
Dimensions (mm)

Raspberry Pi Compute Modules 1, 3, & 3 Lite (CM1 / CM3 / CM3L)
Publicado: 2022-12-16 | Actualizado: 2023-01-11