Qorvo CMD264P3 6GHz to 18GHz Low Noise Amplifier
Qorvo CMD264P3 6GHz to 18GHz Low Noise Amplifier is a broadband MMIC housed in a leadless 3mm x 3mm plastic surface mount package. The CMD264P3 is ideal for communications systems with a small size and low power consumption. The Qorvo broadband device delivers greater than 26dB of gain with a corresponding output 1dB compression point of +12dBm and a noise figure of 1.6dB at 10GHz. The CMD264P3 is a 50Ω matched design eliminating the need for external DC blocks and RF port matching.Features
- Ultra-low noise figure
- High-gain broadband performance
- +3.0V at 63mA single supply voltage
- Pb-free, RoHs-compliant
- 3mm x 3mm QFN package
Applications
- Radar
- C Band
- X Band
- Ku Band
- Electronic warfare (EW)
- Space
- Satellite communications (Satcom)
- Phased arrays
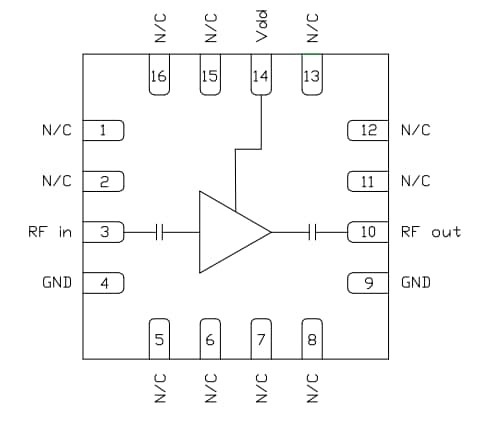
Block Diagram
Publicado: 2020-03-24
| Actualizado: 2024-08-21
