PUI Audio Wide-Band MEMS Microphones
PUI Audio Wide-Band MEMS Microphones cover the entire audio band from 20Hz to 18KHz, with up to 20kHz on some models. These PUI Audio omnidirectional MEMS Microphones provide unit-to-unit consistency of ±1dB tolerance across the entire frequency response. The lineup includes analog and digital versions for various applications, including smartphones, wearables, and cloud-based designs.Features
- 20Hz to 18kHz frequency range (up to 20kHz on some models)
- ±1dB tolerance across entire frequency response
- Analog and digital MEMS microphones
Applications
- AMM
- Smartphones
- Wearables
- DMM
- Cloud-connected devices
- Battery-powered electronics
Additional Resources
Videos
Digital MEMS Block Diagram
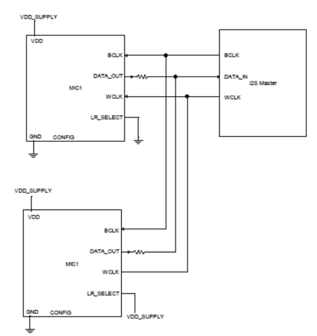
Interface Diagram I2C Master & 2 MEMS
Publicado: 2020-03-26
| Actualizado: 2024-04-10
