onsemi NXH40B120MNQ1 Full SiC MOSFET Module

onsemi NXH40B120MNQ1 Full SiC MOSFET Module contains a dual full SiC boost stage consisting of three 40mΩ/1200V SiC MOSFETs and three 40A/1200V SiC diodes. This SiC MOSFET module includes three additional 50A/1200V bypass rectifiers for the inrush current limit. The NXH40B120MNQ1 module features low reverse recovery, fast switching SiC diodes, low inductive layout, solderable pins, a thermistor, Pb-free, Halogen Free, BFR free, and is RoHS compliant. This SiC MOSFET module is ideally used in solar inverters and uninterruptable power supplies.

Features

  • 1200V 40mΩ SiC MOSFETs
  • Low reverse recovery and fast switching SiC diodes
  • 1200V bypass and anti-parallel diodes
  • Low inductive layout
  • Solderable pins
  • Thermistor
  • This Device is Pb-Free, halogen-free/BFR free, and is RoHS compliant

Specifications

  • -40°C to 125°C of the storage temperature range 
  • -40°C to 150°C of the module operating junction temperature

Applications

  • Solar inverters
  • Uninterruptable power supplies

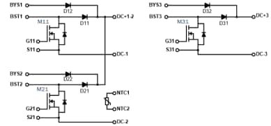
Schematic Diagram

Schematic - onsemi NXH40B120MNQ1 Full SiC MOSFET Module
Publicado: 2022-04-07 | Actualizado: 2024-06-18