onsemi NCV78514 1-Channel Automotive LED Drivers

onsemi NCV78514 1-Channel Automotive LED Drivers are designed for MCU-less applications, integrating input voltage and LED string temperature derating features. The onsemi NCV78514 drivers support a single-channel LED driver with an H-Bridge topology, combining synchronous buck switches and an asynchronous boost using an external low-side NMOSFET and Schottky diode. Operating in constant current mode, the devices drive LED strings of 2 to 20 LEDs, enabling flexible designs for single-PCB or modular solutions. The LED string current is set via a current-encoding resistor and monitored using a sense resistor.

Features

  • Support for MCU-less application
  • Integrated derating mechanisms
  • Fixed switching frequency at 400kHz
  • Input operating range from 5V to 21V
  • Warm start management below 9V
  • Withstands load dump up to 45V
  • Output voltage range up to 60V
  • 200mA to 1500mA external programmable current
  • 80Hz to 600Hz pulse width modulation
  • 400Hz LED current dimming frequency
  • External NTC/PTC for LED temperature
  • Spread spectrum
  • Status and error mode handling
  • AEC-Q100 qualified and PPAP capable

Applications

  • Fog lamp
  • Cornering light
  • Logo projection
  • Logo lighting

Typical Application Circuit

Application Circuit Diagram - onsemi NCV78514 1-Channel Automotive LED Drivers

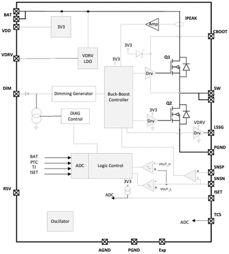
Block Diagram

Block Diagram - onsemi NCV78514 1-Channel Automotive LED Drivers
Publicado: 2025-01-17 | Actualizado: 2025-12-04