onsemi NCV57001F IGBT Gate Driver
onsemi NCV57001F IGBT Gate Driver is a high-current single-channel IGBT driver with internal galvanic isolation designed for high system efficiency and reliability. This gate driver features complementary inputs, open-drain FAULT, and Ready outputs, active Miller clamp, accurate UVLOs, DESAT protection, and soft turn-off at DESAT. onsemi NCV57001F IGBT Gate Driver accommodates 5V and 3.3V signals on the input side and a wide bias voltage range on the driver side, including negative voltage capability. This gate driver provides >5kVrms (UL1577 rating) galvanic isolation and >1200Viorm (working voltage) capabilities. Typical applications include automotive power supplies, hybrid/electric vehicle (HEV/EV) powertrains, BSG inverters, and positive temperature coefficient (PTC) heaters.Features
- High current output (4A/-6A) at IGBT Miller Plateau voltages
- Low output impedance for enhanced IGBT driving
- Short propagation delays with accurate matching
- Active Miller clamp to prevent spurious gate turn-on
- DESAT protection with programmable delay
- Typical 550ns soft turn off during IGBT short circuit
- IGBT gate clamping during short circuit
- IGBT gate active pull down
- Tight UVLO thresholds for bias flexibility
- Wide bias voltage range including negative VEE2
- 3.3V to 5V input supply voltage range
- 5000V galvanic isolation (to meet UL1577 requirements)
- 1200V working voltage (per VDE0884-10 requirements)
- High transient immunity
- High electromagnetic immunity
- Device is Pb-free, Halogen-free/BFR free, and is RoHS compliant
- AEC-Q100 Qualified and PPAP capable
Applications
- Automotive power supplies
- HEV/EV powertrain
- BSG inverter
- PTC heater
Additional Resource
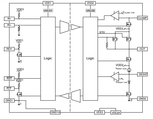
Block Diagram
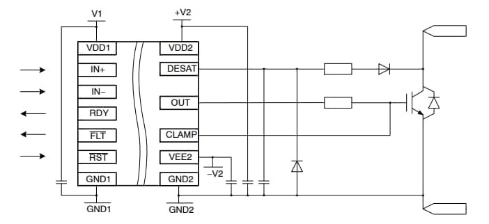
Simplified Application Circuit
Publicado: 2020-06-02
| Actualizado: 2024-06-10
