onsemi NCP81565 6+2 Phase Output Controllers
onsemi NCP81565 6+2 Phase Output Controllers are dual-rail buck solutions designed for Intel's IMVP9.1 CPUs. The onsemi NCP81565 uses dual-edge Pulse-Width Modulation (PWM) and DCR current sensing in its multi-phase rail control system. These features ensure a fast response to dynamic load changes and lower system costs. Additionally, the devices feature an ultra-low offset current monitor amplifier with programmable offset compensation for precise current monitoring.Features
- High impedance differential output voltage amplifier
- Differential current sense amplifiers for each phase
- Programmable Adaptive Voltage Positioning (AVP)
- Digitally stabilized switching frequency
Applications
- Desktops
- Notebooks
- Ultra-book computers
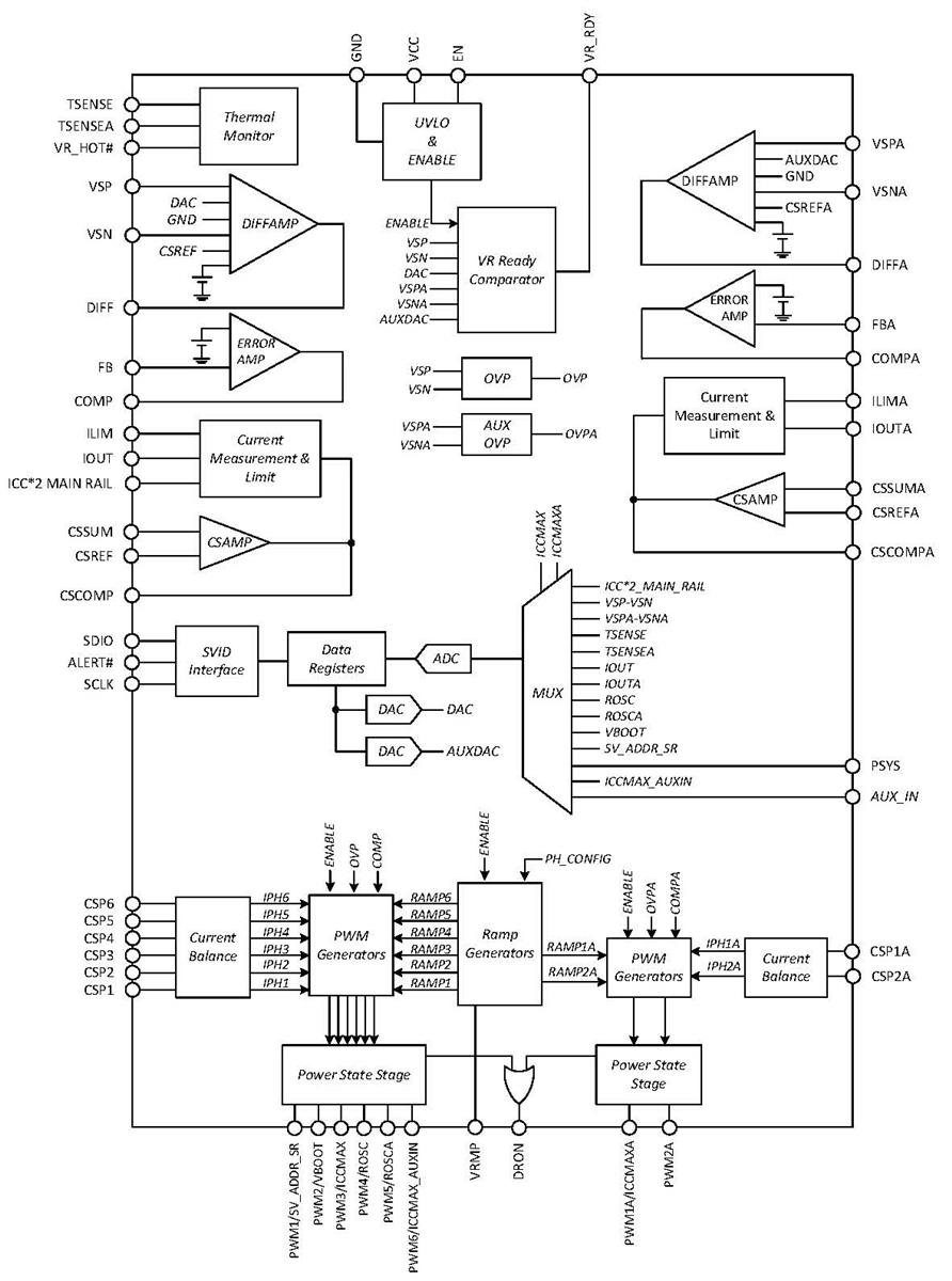
Block Diagram
Publicado: 2024-02-14
| Actualizado: 2024-09-17
