onsemi NFAx 600V Intelligent Power Modules (IPM)

onsemi NFAx 600V Intelligent Power Modules (IPM) are fully integrated inverter power stages. The NFAx 600V modules consist of a high-voltage driver, six IGBTs, and a thermistor, suitable for driving permanent magnet synchronous (PMSM) motors, brushless-DC (BLDC) motors, and AC asynchronous motors. These 600V modules have a full range of protection functions, including cross-conduction protection, external shutdown, and under-voltage lockout. The over-current protection level can be set using an internal comparator and reference connected to the over-current protection circuit.

Features

  • Three-phase 10A/600V IGBT module with integrated drivers
    • 5A/600V (NFAP0560R4TT)
  • Compact 44mm x 20.9mm single in-line package
  • Built-in under-voltage protection
  • Cross-conduction protection
  • Adjustable over-current protection level
  • Integrated bootstrap diodes and resistors
  • Thermistor for substrate temperature measurement
  • Lead-free

Applications

  • Industrial drives
  • Industrial pumps
  • Industrial fans
  • Industrial automation

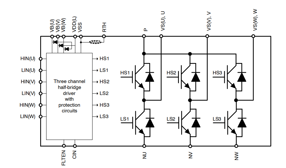
Functional Diagram

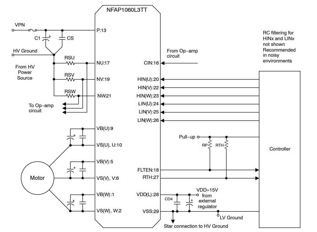
Application Circuit Diagram - onsemi NFAx 600V Intelligent Power Modules (IPM)

Application Schematic

Schematic - onsemi NFAx 600V Intelligent Power Modules (IPM)

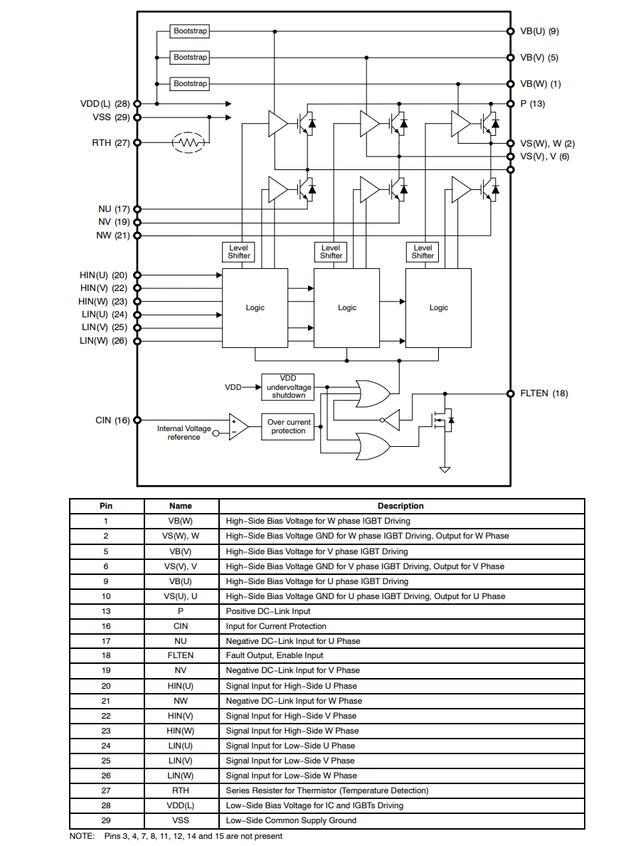
Block Diagram

Block Diagram - onsemi NFAx 600V Intelligent Power Modules (IPM)
Publicado: 2019-04-30 | Actualizado: 2025-12-18