onsemi Controlador CCM PFC FAN9673
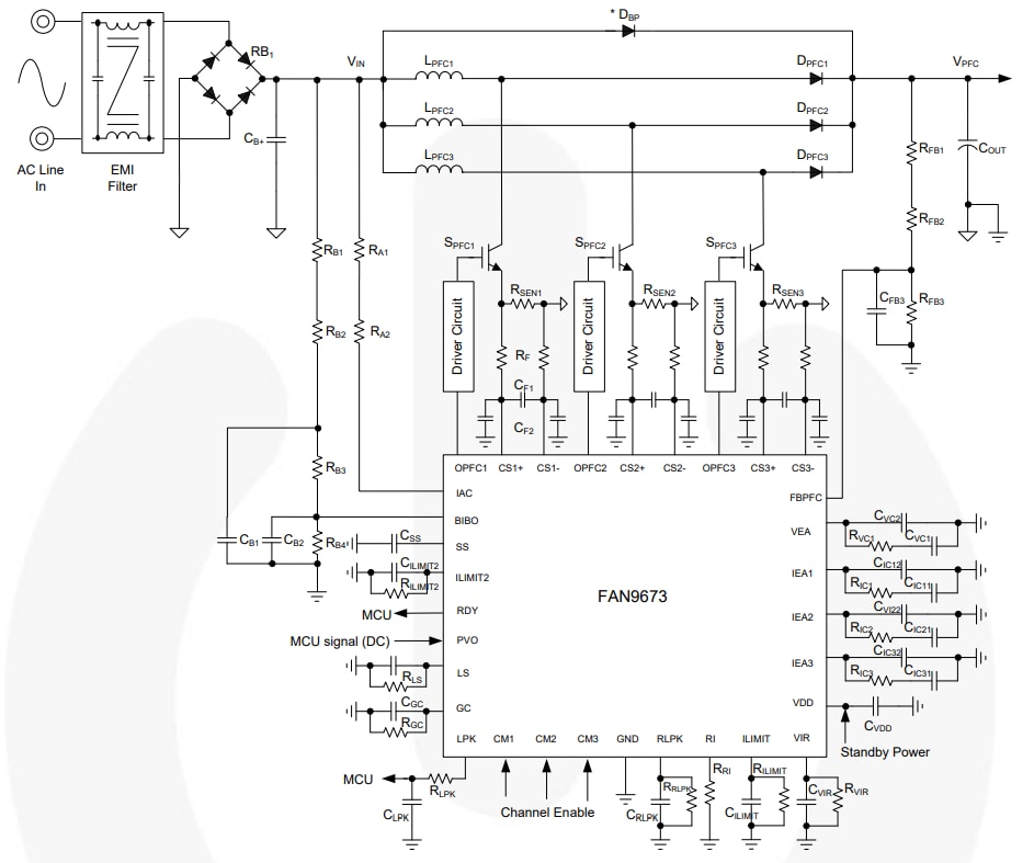
El FAN9673 de Fairchild Semiconductor es un CI controlador con corrección del factor de potencia (CCM) y modo de conducción continua (CCM) de tres canales intercalados destinado para prerreguladores PFC. Con la incorporación de circuitos para la implantación de una corrección de factor de potencia de corriente media y de tipo "boost" de vanguardia, el FAN9673 permite el diseño de una fuente de alimentación que cumple la especificación IEC1000-3-2. El funcionamiento intercalado proporciona una reducción sustancial de las corrientes de rizado de entrada y salida y el filtrado EMI conducido se vuelve más sencillo y rentable. Una función de gestión de canales innovadora permite cargar y descargar suavemente el nivel de potencia de los canales esclavos de acuerdo con la tensión de ajuste en el pin CM, con lo que mejora la respuesta de los transitorios de carga del convertidor PFC. El FAN9673 incorpora además diversas funciones de protección, entre las que se incluyen: limitación de corriente pico, protección contra la reducción de la tensión de entrada y la función TriFault Detect™.An innovative channel management function allows the power level of the slave channels to be loaded and unloaded smoothly according to the setting voltage on the CM pin, improving the PFC converter's load transient response. The onsemi FAN9673 also incorporates a variety of protection functions, including: peak current limiting, input voltage brown out protection, and TriFault Detect™ function.
Características
- Continuous Conduction Mode (CCM) control
- Three-channel PFC control (maximum)
- Average current-mode control
- PFC slave channel management function
- 18kHz to 40kHz or 55kHz to 75kHz programmable operating frequency range
- Programmable PFC output voltage
- Two current limit functions
- TriFault Detect protects against feedback loop failure
- Sag protection
- Programmable soft-start
- Under-voltage lockout (UVLO)
- Differential current sensing
- Available in 32-pin LQFP package
Aplicaciones
- High power AC - DC power supply
- DC motor power supply
- White goods
- Server and telecom power supply
- UPS
- Industrial welding and power supply
Typical Application
Publicado: 2014-04-03
| Actualizado: 2022-03-11
