onsemi Optoacopladores controladores de compuerta MOSFET/IGBT de alta velocidad FOD8383/4
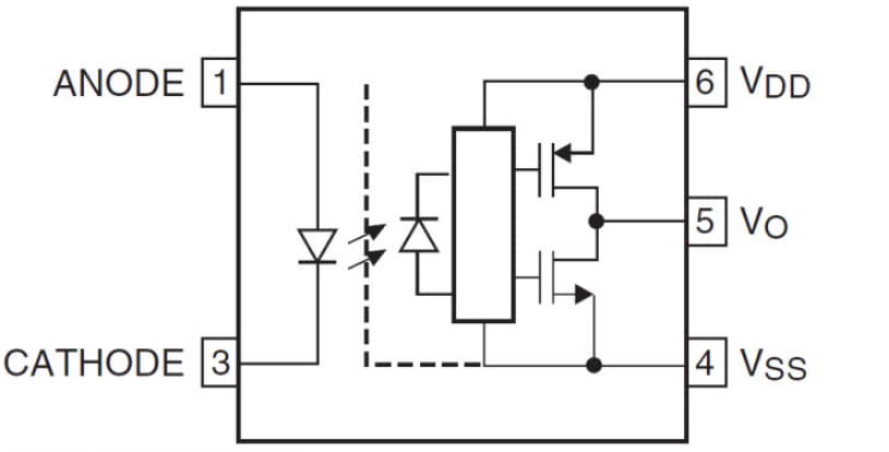
Los optoacopladores controladores de compuerta MOSFET/IGBT de alta velocidad FOD8383/4 de Fairchild son optoacopladores controladores de compuerta con corriente de salida de 2,5 A y capacidad para activar IGBT/MOSFET de media potencia. Son especialmente idóneos para activación de conmutación rápida de IGBT y MOSFET de alimentación utilizados en aplicaciones con inversores de control de motores y sistemas de alimentación de alto rendimiento. FOD8383/4 utiliza la tecnología de empaquetado coplanar Optoplanar® de Fairchild y un diseño de CI optimizado para obtener tensión fiable de alto aislamiento y elevada inmunidad al ruido. Cada dispositivo se compone de un diodo emisor de luz (LED) de arseniuro de galio y aluminio (AlGaAs) acoplado con un circuito integrado con un accionador de alta velocidad para realizar las acciones push-pull de la etapa de salida del MOSFET.Características
- 2.5A output current driving capability
- P-channel MOSFET at output stage enables output voltage swing close to supply rail
- 35kV/μs minimum common mode rejection
- 15V to 30V supply voltage range
- Fast switching speed over full operating temperature range
- 210ns maximum propagation delay
- 65ns maximum pulse-width distortion
- Under-Voltage Lockout (UVLO) with hysteresis
- -40°C to +100°C industrial temperature range
- Safety and Regulatory Approvals:
- UL1577, 5000VACRMS for 1 minute
- DIN-EN/IEC60747-5-5, 1414V peak working insulation voltage
Aplicaciones
- AC and brushless DC motor drives
- Industrial inverter
- Uninterruptible power supply
- Induction heating
- Isolated IGBT/power MOSFET gate drive
Additional Resources
Functional Schematic
Publicado: 2014-09-25
| Actualizado: 2022-03-11
