Nexperia MOSFET Trench de canal P de 20 V BSH205G2
El MOSFET Trench de canal P de NXP es un transistor de efecto de campo (FET) con modo de mejora en un paquete plástico de pequeño tamaño SOT23 (SMD). Emplea la tecnología MOSFET Trench y ofrece una tensión de umbral baja y una conmutación muy rápida. Este MOSFET es perfecto para aplicaciones tales como controladores de relé, controladores de líneas de alta velocidad y circuitos de conmutación.The Nexperia BSH205G2 20V P-Channel Trench MOSFET is AEC-Q101 qualified and suitable for use in automotive applications.
Características
- AEC-Q101 qualified
- Enhanced power dissipation capability of 890mW
- Trench MOSFET technology
- Low on-state resistance
- Low threshold voltage
- -55°C to 150°C ambient temperature range
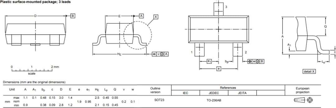
- SOT23 (TO-236AB) package
Aplicaciones
- Relay driver
- High-speed line driver
- High-side loadswitch
- Switching circuits
Package Outline
Vídeos
Additional Resources
View Results ( 3 ) Page
| Número de referencia | Hoja de datos | Vgs th (tensión umbral compuerta-fuente) | Id: corriente de drenaje continuo | Temperatura operativa máxima |
|---|---|---|---|---|
| BSH205G2AR | ![]() |
900 mV | 2.6 A | + 175 C |
| BSH205G2R | ![]() |
450 mV | 2.3 A | + 150 C |
| BSH205G2VL | ![]() |
950 mV | 2.3 A | + 150 C |
Publicado: 2015-03-10
| Actualizado: 2022-11-28

