Murata Power Solutions Convertidores CC/CC aislados de 12 W serie NCS12
Los convertidores CC/CC aislados de 12 W serie NCS12 de Murata Power Solutions ofrecen tensiones de salida únicas y duales con rangos de tensión de entrada de 9-36 V y 18-75 V. Los dispositivos NCS12 están integrados en un paquete estándar de la industria, con una distribución de pines estándar, dentro de una carcasa metálica para obtener una mejor protección EMI. Estos convertidores CC/CC de Murata Power Solutions también están encapsulados para conseguir un rendimiento térmico superior. Entre las aplicaciones de uso se incluyen telecomunicaciones, sistemas alimentados por baterías, control de procesos y sistemas de energía distribuida.Características
- UL 60950 recognition pending
- 4:1 wide range voltage input
- Operating temperature range of -40°C to +85°C
- Typical load regulation from 0.05%
- 1.5kVDC isolation
- 3.3V, 5V, 12V, and 15V outputs
- UL 94V-0 package materials
- No electrolytic capacitors
- Thermal shutdown
- Undervoltage lock out
- Current fold back
Aplicaciones
- Telecommunications
- Battery powered systems
- Process control
- Distributed power systems
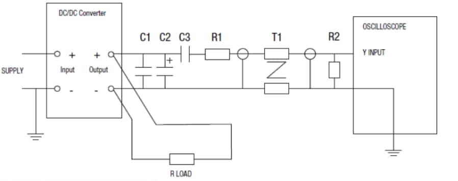
Differential Mode Noise Test Schematic
Publicado: 2013-10-22
| Actualizado: 2022-03-11
