Murata Power Solutions Convertidores CC/CC aislados de salida única de 1 W serie MEU1
Los convertidores CC/CC aislados de salida única de 1 W serie MEU1 de Murata representan una nueva gama de convertidores CC/CC de 1 W de orificio pasante ultra pequeño, disponibles en pines de estilo ZIP. La serie MEU1 ofrece 1 W de potencia de salida disponible en un rango de temperatura industrial entre -40 ºC y 85 ºC. Son la opción perfecta para proporcionar suministro local en placas de sistemas de control, con la ventaja añadida del aislamiento galvánico de 1 kVDC para reducir el ruido de conmutación y permitir configurar el dispositivo para ofrecer un carril negativo aislado cuando solo exista un carril positivo. Esta serie tiene un tamaño reducido del 26% respecto al producto anterior original de esta serie, con preferencia a un estándar del sector.Características
- Footprint reduction of over 26% from previous generations of 1W DC/DC's
- UL60950 recognition pending
- Single isolated output
- 1kVDC isolation
- Efficiency up to 87% typical
- Wide temperature performance at full 1W load, -40°C to +85°C
- Power density of 2.61W/cm3
- 3.3V, 5V, and 12V input
- 3.3V, 5V, 9V, 12V, and 15V output
- Custom solutions available
- PCB mounting
Especificaciones
- 67mA to 303mA output current range
- 6% to 14% maximum load regulation range
- 35mVp-p to 50mVp-p maximum ripple and noise range
- 103mA to 274mA input current range at rated load
- 28pF to 91pF typical isolation capacitance range
- 1.0W rated power
- 1000VDC minimum isolation test voltage
- 10GΩ minimum resistance
- 90kHz switching frequency
- Temperature ranges
- -40°C to +85°C operating
- -50°C to +125°C storage
- Free air convection cooling
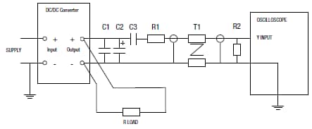
Differential Mode Noise Test Schematic
Package Specifications
Publicado: 2013-10-14
| Actualizado: 2025-12-11
