Monolithic Power Systems (MPS) MPQ4487A AEC-100 Switch-Mode Buck Converters
Monolithic Power Systems (MPS) MPQ4487A AEC-100 Switch-Mode Buck Converters are monolithic, step-down, switching voltage regulators with two USB current-limit switches and Type-C 5V under 3A mode configuration channels for each port. The QFN-26 (5mm x 5mm) packaged MPQ4487A achieves a 6A output current with excellent load and line regulation across a wide 6V to 36V input supply range. Each USB switch's output is current limited, and both ports support USB Type-C™ 5V at 3ADFP mode, eliminating the need for outside user interaction. The MPS MPQ4487A converters feature hiccup current limiting, output over-voltage protection (OVP), and thermal shutdown.Features
- Wide 6V to 36V operating input voltage range
- Passed Apple MFI R33 certification test
- Passed USB-IF Type-C certification test
- +135°C load-shedding entry temperature
- Selectable output voltage
- Line drop compensation
- Accurate USB1 / USB2 output current limit
- 18mΩ/15mΩ low RDS(ON) internal buck power MOSFETs
- 18mΩ/18mΩ low RDS(ON) internal USB1 / USB2 power MOSFETs
- Adjustable frequency from 250kHz to 2.2MHz
- Frequency spread spectrum for MPQ4487AGU-FD-AEC1 / MPQ4487AGUFD2-AEC1
- Forced Continuous Conduction Mode (FCCM) operation
- Hiccup current limit for buck and USB
- EN control for USB1 and USB2
- Fault indication for USB1 and USB2
- Supports USB Type-C™ 5V at 3A mode
- Available in a QFN-26 (5mm x 5mm) package
- AEC-Q100 Grade 1 available
Applications
- USB hubs
- USB Type-C charging ports
Specifications
- Recommended operating conditions (maximum)
- 6V to 36V operation input voltage range
- 3A output current for USB1 and USB2
- -40°C to +125°C operating junction temperature range
- 6.25W maximum continuous power dissipation at +25°C
- 5μA typical shutdown supply current, 10μA maximum
- +165°C typical thermal shutdown
- +20°C typical thermal hysteresis
- Step-down converter
- 4.6V to 5.4V VIN under-voltage lockout rising threshold
- 800mV typical VIN under-voltage lockout threshold hysteresis
- 18mΩ typical high-side switch on resistance, 40mΩ maximum
- 15mΩ typical low-side switch on resistance, 30mΩ maximum
- -2A low-side current limit
- 1μA to 5μA maximum switch leakage range
- 8A to 16A high-side current limit range
- 91% to 99% maximum duty cycle range
- 110ns (typical) minimum off-time
- 130ns (typical) minimum on-time
- 1ms to 3.4ms soft-start time range
- USB switch (USB1 and USB2)
- 3.7V to 4.3V under-voltage lockout rising threshold
- 200mV typical under-voltage lockout threshold hysteresis
- 18mΩ typical switch on resistance, 35mΩ maximum
- 350Ω to 850Ω output-to-ground resistance
- 5.5V to 6V USB OVP clamp
- 20mV to 120mV line drop compensation
- 0.7ms to 22.1ms soft-start time
- 3ms typical enter hiccup hold time
- 1s to 3s hiccup mode off time range
- USB Type-C
- 90kΩ to 96kΩ CC resistor to disable Type-C mode
- 0.75V maximum CC voltage to enable VCONN
- 0.9V to 2.45V CC voltage to enable VBUS range
- 2.65V minimum CC detach threshold
- 100ms to 200ms CC voltage falling debounce timer range
- 10ms to 20ms CC voltage rising debounce timer range
- 1W minimum VCONN output power
- ESD ratings
- Human Body Model (HBM)
- ±7.5kV for CC1/CC2/CC3/CC4
- ±8kV for DP1/DP2/DM1/DM2/USB1/USB2
- ±1.8kV for all other pins
- ±1kV Charged Device Model (CDM), all pins
- Human Body Model (HBM)
Typical Application
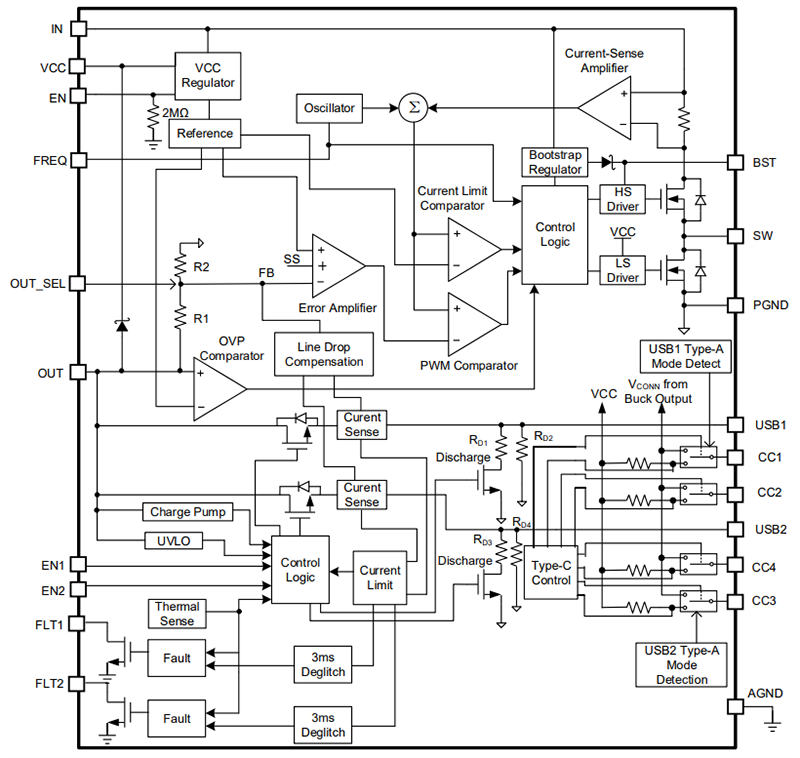
Block Diagram
Publicado: 2023-01-23
| Actualizado: 2023-01-30
