Monolithic Power Systems (MPS) MPQ2242 AEC-Q100 Synchronous Buck Converters
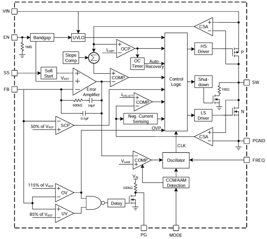
Monolithic Power Systems (MPS) MPQ2242 AEC-Q100 Synchronous Buck Converters are configurable-frequency (300kHz to 2.2MHz), synchronous step-down converters. The MPQ2242 devices can achieve up to 2A of continuous output current (IOUT) with peak current control for excellent transient response and efficiency performance. The MPQ2242 operates from a 2.7V to 6V input voltage (VIN) range and generates an output voltage (VOUT) as low as 0.606V. The MPS MPQ2242 AEC-Q100 Synchronous Buck Converters are ideal for a wide range of applications, including automotive infotainment, clusters, telematics, and portable instruments.The MPS MPQ2242 integrates a 35mΩ high-side MOSFET (HS-FET) and a 25mΩ synchronous rectifier for high efficiency without an external Schottky diode. The MPQ2242 can be configured for advanced asynchronous modulation (AAM) mode or forced continuous conduction mode (FCCM) at light loads. AAM mode provides high efficiency by reducing switching losses at light loads, while FCCM has a controllable frequency and a lower output ripple.
The MPQ2242 offers standard features, including soft start (SS), enable (EN) control, and a power good (PG) indicator. In addition, the MPS MPQ2242 provides over-current protection (OCP) with valley current detection to avoid current runaways, short-circuit protection (SCP), reliable over-voltage protection (OVP), and auto-recovery thermal protection. With internal compensation, the MPQ2242 requires a few readily available, standard external components. It is available in a QFN-9 (2mm x 3mm) package and is AECQ100-qualified.
Features
- Low-ohmic MPS BCD FET technology
- Reduces board size and BOM
- Integrated compensation network
- Available in a small QFN-9 (2mm x 3mm) package
- Adjustable VOUT from 0.606V
- High-efficiency synchronous mode control
- Up to 2.2MHz configurable frequency
- Low current in shutdown mode
- 100% duty cycle operation
- Selectable AAM mode or FCCM
- External SS
- Remote EN control
- PG indicator
- Cycle-by-cycle OCP
- SCP
- VIN Under-Voltage Lockout (UVLO)
- VOUT OVP
- Thermal shutdown
- Available in a wettable flank package
- AEC-Q100 Grade 1
Applications
- Automotive
- Infotainment
- Clusters
- Telematics
- Portable instruments
- Industrial supplies
- Battery-powered devices
Typical Applicaton
Functional Block Diagram
