Monolithic Power Systems (MPS) MPM3695-20 Scalable Integrated Power Modules

Monolithic Power Systems (MPS) MPM3695-20 Scalable Integrated Power Modules with a digital interface offer a complete power solution that achieves up to 25A of continuous output current with excellent load/line regulation over a wide input voltage range. The MPS MPM3695-20 modules operate with high efficiency over a wide load range and can be paralleled to deliver a higher load current. The MPM3695-20 adopts MPS’s proprietary, multi-phase constant-on-time (MCOT) control, that provides ultra-fast transient responses and simple loop compensation. The digital interface provides module configurations and monitoring of key parameters.

The MPM3695-20 features full protection features, including over-current protection (OCP), over-voltage protection (OVP), under-voltage protection (UVP), and over-temperature protection (OTP). These power modules require a minimal number of readily available external components and are available in an ECLGA-29 (5mm x 6mm x 4.4mm) package.

Features

  • Wide input voltage range from 3V
    • 3V to 16V with external VCC
    • 4V to 16V with internal VCC
  • 0.5V to 5.5V output voltage range
  • 25A continuous output current
  • Auto interleaving for multi-phase operation
  • Auto compensation with adaptive MCOT for ultra-fast transient response
  • ±1% reference voltage accuracy (-40°C to +125°C)
  • True remote sense of output voltage
  • Pre-bias output
  • Telemetry read-back including VIN, VOUT, IOUT, temperature, and faults
  • Built-in MTP to store custom configuration
  • Programmable via digital interface
    • Current limit
    • Selection of pulse-skip mode or Continuous Conduction Mode (CCM)
    • Soft-start time
    • Selection of switching frequencies from 400kHz, 600kHz, 800kHz, and 1000kHz
    • Fault limits
    • Ramp compensation
  • ECLGA-29 (5mm x 6mm x 4.4mm) package
  • Moisture Sensitivity Level (MSL) 3

Applications

  • Telecom and networking systems
  • Industrial equipment
  • Servers and computing
  • FPGAs/ASIC AI and data mining

Specifications

  • 4V to 16V operating supply voltage range
  • 0.5V to 5.5V operating output voltage range
  • 3V to 3.6V operating external VCC bias
  • 4mA maximum supply current (shutdown)
  • 5W maximum power dissipation
  • 400kHz to 1000kHz programmable switching frequency, 600kHz typical
  • 50ns minimum on-time
  • 220ns minimum off-time
  • -40°C to +125°C operating junction temperature range

Videos

Typical Application Circuits

Application Circuit Diagram - Monolithic Power Systems (MPS) MPM3695-20 Scalable Integrated Power Modules

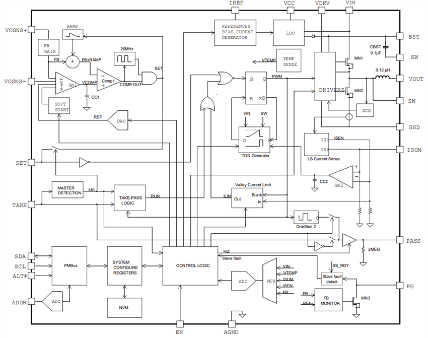
Functional Block Diagram

Block Diagram - Monolithic Power Systems (MPS) MPM3695-20 Scalable Integrated Power Modules
Publicado: 2025-02-25 | Actualizado: 2025-03-26