MicroStrain by HBK 3DM-GV7 Tactical Grade Ruggedized IMUs
MicroStrain by HBK 3DM-GV7 Tactical Grade Ruggedized Inertial Measurement Units (IMUs) incorporate a precision-machined aluminum enclosure and are tested to an IP68 rating. Explicitly designed to meet the demanding timing requirements of the robotics and automation industries, these IMUs operate from -40°C to 85°C. The 3DM-GV7 ruggedized IMUs feature an advanced extended Kalman filter, cutting-edge orientation algorithms, advanced time management, and an event-triggering system. Typical applications include Autonomous Mobile Robots (AMR), robotics, industrial automation, Simultaneous Localization and Mapping (SLAM), Platform stabilization, artificial horizon, and agriculture.The IP68D9TOFLLEADS, IP68D9TORS232, and IP68D9TOUSB cables are required for the 3DM-GV7 tactical-grade ruggedized IMUs.
Features
- External clock synchronization
- Tactical grade gyro
- Custom event trigger system
- Full temperature range calibration
- Adjustable sampling rates
- Low latency
- User-adjustable gyro and accel range
Specifications
- Sensor:
- Roll/pitch accuracy
- Static: 0.25°
- Dynamic: 0.5°
- Integrated magnetometer for absolute heading tracking
- Roll/pitch accuracy
- Operation:
- Onboard extended Kalman filter for attitude estimation
- User-selectable accelerometer and gyroscope range
- Adjustable sampling rates up to 1KHz
- Factory supported ROS1 and ROS2 drive
- SensorConnect software for configuration, control, display, and logging
- MSCL open source API for easy integration
- Package:
- Ruggedized IP68 package
- Precision-machined anodized aluminum enclosure
- Precision alignment features
- Compact and low-profile
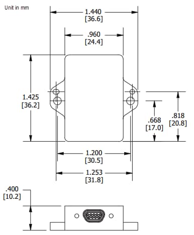
- 36.2mm x 36.6mm x 10.2mm
- 17.7grams
Applications
- Autonomous Mobile Robots (AMR)
- Robotics
- Industrial automation
- Simultaneous Localization and Mapping (SLAM)
- Platform stabilization
- Artificial horizon
- Antenna and camera positioning
- Agriculture
Performance Graphs
Dimension Diagram
Mechanical Diagrams
Publicado: 2024-03-28
| Actualizado: 2024-05-14
