Microchip Technology CI de conmutadores T/R por ultrasonido
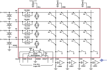
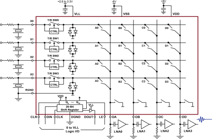
Los CI de conmutador T/R por ultrasonido de Microchip ofrecen una protección de limitación de corriente de alta tensión. Los CI de conmutador T/R por ultrasonido de Microchip están diseñados para proteger un receptor de ruido bajo de los pulsos de transmisión de alta tensión en aplicaciones de ultrasonidos y normalmente se denominan conmutadores T/R (transmitir y recibir). Se puede considerar que los CI de conmutador T/R por ultrasonido son conmutadores que normalmente están cerrados con una resistencia de conmutación típica de 15 Ω, lo que permite el paso de pequeñas señales. Cuando la caída de tensión a través de los dos terminales supera la tensión nominal, el dispositivo comenzará a apagarse. En el estado de apagado, el MD0105, MD0200 y MD0201 pueden soportar hasta ±130 V a través de sus terminales, mientras que el MD0101 puede soportar ±100 V. Se permite que fluya una pequeña cantidad de corriente, normalmente 200 μA. Los CI de conmutador T/R por ultrasonido no se limitan únicamente a aplicaciones para ultrasonidos. Se pueden utilizar también para fusibles de restablecimiento para proteger líneas de alimentación, protección contra cortocircuitos de salida y adquisición de datos.Características
- Fast switching speed
- Four electrically isolated channels
- No external supplies needed
Aplicaciones
- Medical ultrasound imaging
- NDT applications
- Fast resettable fuses
- High side switches
- Data acquisition
View Results ( 2 ) Page
| Número de referencia | Empaquetado / Estuche | Ancho de banda | Hoja de datos | Descripción |
|---|---|---|---|---|
| MD0105K6-G | VDFN-18 | 100 MHz | ![]() |
Circuitos integrados de interruptor - Varios 4CH HV PROTECTION SWITCH |
| MD0101K6-G | DFN-18 | 100 MHz | ![]() |
Circuitos integrados de interruptor - Varios HV PROTECTION SWITCH W/ CLAMP DIODES |
Publicado: 2013-04-10
| Actualizado: 2022-03-11

