Microchip Technology Generador de pulsos por ultrasonido de alta velocidad HV7360
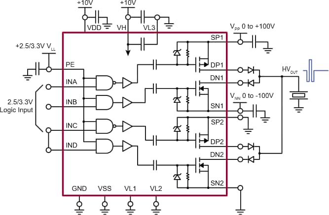
El HV7360 deMicrochip es un generador de pulso de alta velocidad y alta tensión con FET integrados de reducción rápida de retorno a cero. El circuito integrado de alta velocidad y alta tensión HV7360 de Microchip está diseñado para dispositivos médicos portátiles de imágenes por ultrasonido, y puede utilizarse además en aplicaciones NDT y de equipos de ensayos. El HV7360 consta de un circuito de interfaz lógica de controlador, adaptadores de nivel, controladores de puertas MOSFET acoplados en CA y MOSFET de canal P y canal N de corriente alta como etapas de salida. Se garantiza que las corrientes de salida pico de cada canal superen los ±2,5 A con un pulso de variación de hasta ±100 V. La topología acoplada en CA para los controladores de puerta no solo ahorra dos suministros de tensión flotante, sino que además hace que la distribución de PCB sea más sencilla.Características
- HVCMOS technology for high performance
- High-density integration AC coupled pulser
- 0 to ±100V output voltage
- ±2.5A source and sink minimum pulse current
- Up to 35MHz operating frequency
- 2.0ns matched delay times
- 2.5, 3.3 or 5.0V CMOS logic interface
- Low power consumption and very simple to use
Aplicaciones
- Medical ultrasound imaging
- Piezoelectric transducer drivers
- NDT ultrasound transmission
- Pulse waveform generator
HV7360 Application Diagram
Publicado: 2013-08-19
| Actualizado: 2022-03-11
