Microchip Technology Conmutadores analógicos de 16 canales HV2605/HV2705
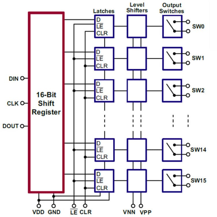
Los conmutadores analógicos de 16 canales HV2605/HV2705 deMicrochip son circuitos integrados (CI) de conmutadores analógicos de alta tensión, 16 canales e inyección de carga baja diseñados para utilizarse en aplicaciones que requieren conmutación de alta tensión controlada mediante señales de control de baja tensión, como las imágenes de ultrasonidos médicas y otros controladores de transductores piezoeléctricos. Los datos de entrada se cambian a un registro de desplazamientos de 16 bits que puede ser retenido en un cierre de 16 bits. A fin de reducir los posibles contenidos de reloj a través del ruido, la barra de activación de cierre debe dejarse arriba hasta que todos los bits estén sincronizados. Los datos se sincronizan durante el flanco ascendente del reloj. Utilizando la tecnología HVCMOS, estos dispositivos combinan conmutadores DMOS bilaterales de alta tensión y la lógica CMOS de baja tensión para proporcionar un control eficiente de las señales analógicas de alta tensión.Características
- HVCMOS technology for high performance
- 16-channel high voltage analog switch
- 3.3V input logic level compatible
- 20MHz data shift clock frequency
- Very low quiescent power dissipation (-10μA)
- Low parasitic capacitance
- DC to 50MHz small-signal frequency response
- -60dB typical off-isolation at 5.0MHz
- CMOS logic circuitry for low power
- Low harmonic distortion
- Cascadable serial data register with latches
- Flexible operating supply voltages
Aplicaciones
- Medical ultrasound imaging
- NDT metal flaw detection
- Piezoelectric transducer drivers
- Optical MEMS modules
HV2605 Block Diagram
HV2705 Block Diagram
Publicado: 2013-05-22
| Actualizado: 2022-03-11
