Microsemi / Microchip Le87511 Single-Channel Line Driver

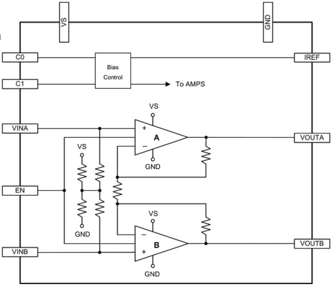
Microsemi / Microchip Le87511 Single-Channel Line Driver is designed to work in home network G.hn power line communication systems. The Le87511 contains a pair of wideband amplifiers designed with Microsemi's HV30 Bipolar SOI process for low power consumption. The line driver gain is fixed internally, and a single supply powers the amplifiers. The device can be programmed to one of four preset bias levels to optimize power and performance. A Disable state forces the line driver into a low-power, high-impedance mode for receiving transmissions.

Features

  • 25dB high voltage gain
  • Operation to 86MHz
  • Class AB operation
  • Low power operation
  • Capable of driving line impedance between 50Ω to 200Ω
  • Enable/Disable control
  • Small 16-pin, 4mm x 4mm QFN package
  • RoHS compliant

Applications

  • Power Line Communications (PLC)
  • Home networking
  • HPNA
  • G.HN

Block Diagram

Block Diagram - Microsemi / Microchip Le87511 Single-Channel Line Driver
Publicado: 2019-10-30 | Actualizado: 2023-06-14