Microchip Technology Los controladores PWM de lado bajo síncrono MCP19114 / MCP19115
Los controladores PWM de lado bajo síncronos MCP19114/MCP19115 de Microchip son dispositivos de tipo analógico de tensión media (4,5-42 V) con un microcontrolador de 8 bits PIC™ integrado. Esta familia de productos de Microchip combina el rendimiento de una solución analógica de alta velocidad, que incluye alta eficiencia y rápida respuesta transitoria, con la configurabilidad e interfaz de comunicación de una solución digital. Combinando estos tipos de solución se crea una nueva familia de dispositivos que maximiza los puntos fuertes de cada tecnología para crear una solución de conversión de energía más rentable, configurable y de alto rendimiento.Características
- Wide Operating Voltage Range: 4.5-42V
- Analog Peak-Current Mode Pulse-Width Modulation (PWM) Control
- Integrated 8-Bit PIC® Microcontroller
- Significant Configurability: Adjustable Output Voltage, Switching Frequency, MOSFET Deadtime, I2C Communication Interface
- Integrated, Synchronous Low-Side MOSFET Drivers
- Minimal External Components Needed
- Custom Algorithm Support
- Topologies Supported: Boost, SEPIC, Flyback, and Cuk
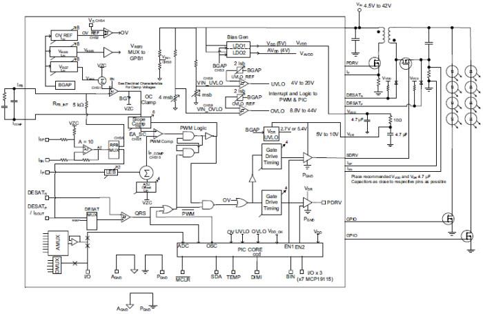
Block Diagram
Publicado: 2014-06-04
| Actualizado: 2022-03-11
