MaxLinear MxL83411 Quad RS-485/422 Receivers
MaxLinear MxL83411 Quad RS-485/422 Receivers are monolithic differential receivers that support communication up to 10Mbps in extreme industrial environments. These receivers feature bus pins that tolerate IEC Electrical Fast Transients (EFT) and IEC Electrostatic Discharge (ESD). The MxL83411 receivers feature glitch-free power-up/power-down for hot plug-in capability and a channel-to-channel propagation delay skew of ±6ns. These receivers are available in a global enable configuration, which allows all four channels to be turned on or off simultaneously. The MxL83411 receivers offer a wide 3.3V to 5V input voltage range and input hysteresis. Typical applications include industrial and process control equipment, level translators, telecommunication equipment, high-performance motor drives, smart grid, and industrial transport.Features
- Meet or exceed the requirements of the TIA/EIA-485A and EIA/TIA-422B standards
- Fail-safe open receiver (Rx) inputs
- 1/4 unit load (128 bus nodes)
- Available in global enable configuration
- Glitch-free power-up/power-down for hot plug-in capability
Specifications
- Robust system protection:
- ±2kV EFT (IEC 61000-4-4)
- ±8kV ESD contact (IEC 61000-4-2)
- ±15kV ESD human body model
- 3.3V to 5V input voltage range
- -7V to 12V operational common-mode range
- High-data rates up to 10Mbps
- Channel-to-channel propagation delay skew of ±6ns
- Package/case:
- TSSOP16
- NSOIC16
- Operating temperature range:
- MXL83411I:
- -40°C to 85°C
- MXL83411E:
- -40°C to 125°C
- MXL83411I:
Applications
- Industrial and process control equipment
- Level translators
- Telecommunication equipment
- High-performance motor drives
- Smart grid
- Industrial transport
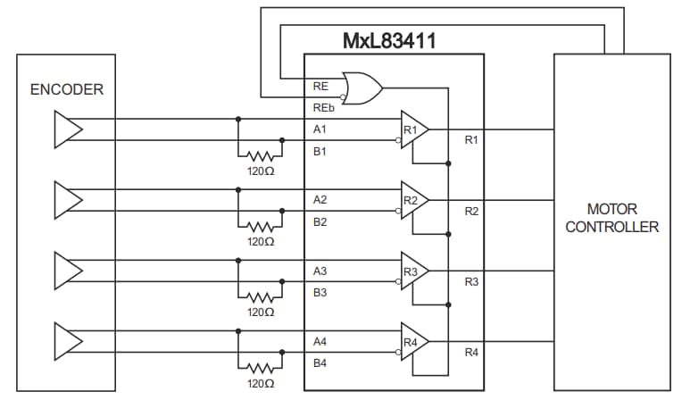
Typical Application Schematic
Receiver DC Test Circuit
View Results ( 4 ) Page
| Número de referencia | Hoja de datos | Empaquetado / Estuche | Tiempo de retraso de propagación | Número de receptores | Frecuencia de datos |
|---|---|---|---|---|---|
| MXL83411E-ADA-R | ![]() |
NSOIC-16 | 10 ns | 4 Receiver | 10 Mb/s |
| MXL83411E-AGA-R | ![]() |
TSSOP-16 | 10 ns | 4 Receiver | 10 Mb/s |
| MXL83411I-ADA-R | ![]() |
NSOIC-16 | 10 ns | 4 Receiver | 10 Mb/s |
| MXL83411I-AGA-R | ![]() |
TSSOP-16 | 10 ns | 4 Receiver | 10 Mb/s |
Publicado: 2023-12-11
| Actualizado: 2024-06-04

