MACOM Low Phase Noise Amplifiers
MACOM Low Phase Noise Amplifiers are wideband ultra-low phase noise distributed amplifiers in a lead-free 4mm 16-lead PQFN package. These amplifiers feature a DC-blocked RF output port, and a control circuit controls these amplifiers. The ultra-low phase amplifiers undergo a low-phase noise HBT fabrication process, which features full passivation for optimum reliability. These ultra-low phase noise amplifiers are suitable for use as a low noise amplifier stage for signal generation applications. The ultra-low phase amplifiers are ideal for applications requiring ultra-low phase noise and drive power. Typical applications include test and measurement, radar, Electronic Countermeasures (ECM), and Electronic Warfare (EW).Features
- MAAL-011154:
- -165dBc/Hz phase noise at 10kHz offset
- 5dB noise figure at 5GHz
- 85mA bias current
- MAAL-011155:
- -167dBc/Hz phase noise at 10kHz offset
- 5dB noise figure at 6GHz
- 90mA bias current
- Wideband performance
- 5V bias voltage
- 50Ω matched input/output
- Only positive voltage
- Lead-free 4mm 16-lead PQFN package
- RoHS compliant
Specifications
- MAAL-011154:
- 4000MHz to 8000MHz operating frequency range
- 15.7dB gain
- -165dBc/Hz phase noise
- 4dB NF
- 29dBm OIP3
- -40°C to 150°C maximum storage temperature
- MAAL-011155:
- 6000MHz to 12000MHz operating frequency range
- 16dB gain
- -167dBc/Hz phase noise
- 5dB NF
- 31.5dBm OIP3
- -40°C to 85°C maximum operating temperature
Applications
- Test and measurement
- Electronic Warfare (EW)
- Electronic Countermeasures (ECM)
- Radar
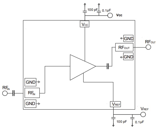
Application Schematic Diagram
Datasheets
Publicado: 2022-12-28
| Actualizado: 2023-02-23
