Luminus Devices SBT-90 White Big Chip LEDs™
Luminus Devices SBT-90 White Big Chip LEDs™ are large, monolithic chips, each with a uniform emitting area of 9mm². These LEDs feature an extremely high optical output, a high thermal conductivity package, and Luminus Devices' proprietary Big Chip LEDs™ (PhlatLight®) technology, the name of which is derived from photonic lattice. Photonic lattice technology creates true surface emission from the source, which enables large area LED chips with uniform brightness over the entire LED chip surface. The optical power and brightness produced by these large monolithic chips enable solutions which replace arc and halogen lamps where arrays of traditional high power LEDs cannot.Features
- Extremely high optical output: Over 1800lm at 9.0A from a single chip (white)
- High thermal conductivity package - junction to case thermal resistance of only 0.7ºC/W
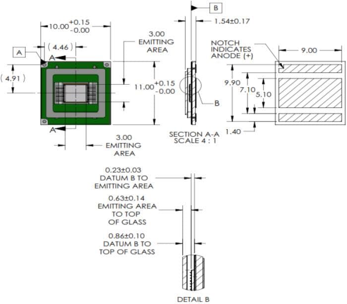
- Large, monolithic chip with a uniform emitting area of 9mm²
- Unencapsulated die with low profile protective window optimizes optical coupling in etendue-limited applications
- Lumen maintenance of greater than 70% after 70,000 hours
- Environmentally friendly: RoHS compliant
- Variable drive current: less than 1A through 9A to full reliability specifications
- Electrically isolated thermal path
Applications
- Fiber-coupled illumination
- Architectural and entertainment lighting
- Projection and micro-display based applications
- High-brightness and large format LCD back-light units
- Edge-illuminated lighting guides
- High output, etendue-limited lighting applications
Thermal Resistance
Mechanical Dimensions in mm
View Results ( 4 ) Page
| Número de referencia | Hoja de datos | Longitud de onda/temperatura del color | Flujo luminoso/flujo radiante | If - Corriente delantera |
|---|---|---|---|---|
| SBR-90-R-R75-HK100 | ![]() |
|||
| SBR-90-R-R75-HK101 | ![]() |
620 nm | 860 lm | 13.5 A |
| SBR-90-WDLS-R71-NA150 | ![]() |
|||
| SBR-90-WDLS-R71-NB150 | ![]() |
Publicado: 2011-11-08
| Actualizado: 2022-03-11

