Littelfuse LS0502SCD33 Supercapacitor Protection IC

Littelfuse LS0502SCD33 Supercapacitor Protection IC for Backup Power Applications is a complete solution for systems with a backup storage capacitor or a capacitor bank. Littelfuse LS0502SCD33 Supercapacitor IC integrates input overvoltage protection, an overcurrent protection circuit, a reverse blocking switch, and a supercapacitor charging control circuit. This protection device for backup power also has built-in cell balance to protect a two-cell supercapacitor system. When the main supply is present and above the minimum system supply voltage, the system draws power from the input supply. An integrated linear charger charges the storage element at up to 300mA current. When the storage element is charged, the circuit draws just 2.5μA current while maintaining the supercapacitor or other storage element in its ready state. When the main supply is removed, the integrated reverse blocking switch blocks current flow from the system rail to the input.

The linear charger is turned on to provide power to the system rail with a low resistance path featuring up to 2A current. The integrated cell balancing circuit monitors the cell voltage when charging and keeps the voltage of the two cells at the same level. A user can externally program the Littelfuse LS0502SCD33 for input current limit, input overvoltage, charge current limit, and charge voltage limit. This protection IC provides a flag signal when the input supply is unplugged so that the primary system can take action.

Features

  • 2.5V to 5.5V system voltage
  • 18V input rating with overvoltage protection
  • 1.1V to 5.3V programmable cap voltage range
  • Programmable supercapacitor charge current
  • Programmable input overcurrent protection
  • Automatic cell balancing
  • Automatic main/backup switchover
  • Up to 2A discharge current
  • Programmable voltage and current thresholds
  • ±2% threshold accuracy
  • 2.5μA ready quiescent current
  • Small solution size
  • DFN package

Applications

  • Handheld industrial equipment
  • Dash cameras
  • IoT
  • Meters
  • Portable devices with removable batteries

Specifications

  • 2.3W maximum power dissipation
  • +4.0V to +5V input voltage
  • +0.8V to +5.4V cap voltage
  • -40°C to +85°C operating temperature range
  • -40°C to +125°C junction temperature range

Videos

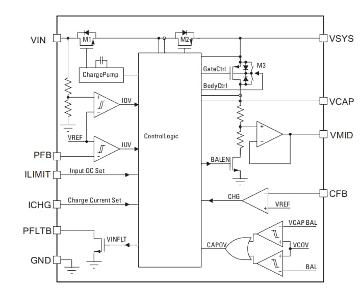
Block Diagram

Block Diagram - Littelfuse LS0502SCD33 Supercapacitor Protection IC

Typical Application Circuit

Application Circuit Diagram - Littelfuse LS0502SCD33 Supercapacitor Protection IC
Publicado: 2023-07-14 | Actualizado: 2024-10-15