Kinetic Technologies KTS1601 Evaluation Kit

Kinetic Technologies KTS1601 Evaluation Kit is designed to evaluate and demonstrate the functionality, performance, and PCB layout of the KTS1601 2A slew rate-controlled load switch. This kit consists of a fully assembled and tested PCB with the KTS1601 IC installed and a quick start guide. The KTS1601 evaluation kit is ideal for mobile phones and tablets, portable instruments, DSC, DVR, GPS, and Solid State Drives (SSDs).

Features

  • 1.5V to 5.5V operating voltage range
  • Up to 2A continuous DC current
  • 2.7ms built-in slew rate controlled turn-on
  • <1µA low quiescent current
  • -40°C to 85°C operating temperature range

Applications

  • Mobile phones and tablets
  • Solis State Drive (SSD)
  • Portable instruments
  • DSC, DVR, and GPS

Kit Contents

  • 1 x KTS1601 eval kit fully assembled PCB
  • 1 x anti-static bag
  • 1 x quick start guide
  • 1 x eval kit box

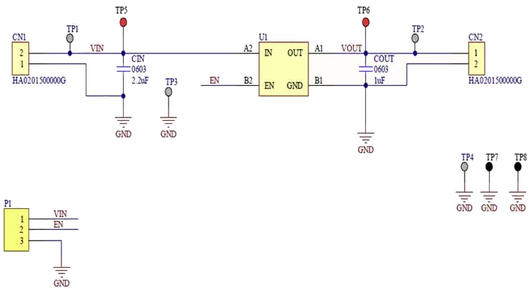
Electrical Schematic Diagram

Schematic - Kinetic Technologies KTS1601 Evaluation Kit

PCB Layout

Kinetic Technologies KTS1601 Evaluation Kit
Publicado: 2023-07-03 | Actualizado: 2023-07-13