Infineon Technologies TLD5099EP_B2B Evaluation Board

Infineon Technologies TLD5099EP_B2B Evaluation Board is designed for high-power LED applications with the TLD5099EP controller in the boost to battery topology. This evaluation board delivers up to 21W to the load with above 84% efficiency. The TLD5099EP_B2B evaluation board has auxiliary circuits to protect the DC-DC and the load from short to ground. This evaluation board features an output current adjustment trimmer, power derating circuitry, embedded PWM engine, and Cold Crank Survival Circuit (CCSC). Typical applications include automotive and lighting.

Features

  • Boost to battery default topology
  • Delivers up to 21W to the load with above 84% efficiency 
  • Auxiliary circuits to protect the DC-DC and the load during short-to-ground
  • Output current adjustment trimmer
  • Power derating circuitry
  • Embedded PWM engine
  • CCSC
  • 8V to 27V input voltage range
  • 6V to 23V output voltage range

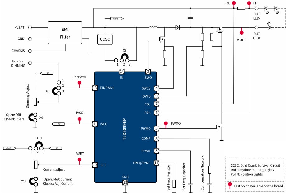
Simplified Schematic

Schematic - Infineon Technologies TLD5099EP_B2B Evaluation Board

Performance Graph

Performance Graph - Infineon Technologies TLD5099EP_B2B Evaluation Board
Publicado: 2020-08-10 | Actualizado: 2024-11-13