Infineon Technologies EiceDRIVER™ 1200V Half Bridge Gate Drivers

Infineon Technologies EiceDRIVER™ 1200V Half Bridge Gate Drivers are integrated with bootstrap diode and controls IGBT or SiC MOSFET power devices. Based on the SOI technology, these drivers provide excellent ruggedness on transient voltages. The EiceDRIVER has a robust design against parasitic latch-up across the operating temperature and voltage range. The EiceDRIVER™ gate driver ICs feature a 2.3A source and 4.6A current sink capacity and are integrated with ultra-fast Overcurrent Protection (OCP). Some of the applications include industrial drives, embedded inverters for motor control in pumps, fans, and commercial and lite commercial air conditioning.  

Features

  • Unique thin-film Silicon On Insulator (SOI) technology
    • Floating channel designed for bootstrap operation
  • Maximum bootstrap voltage (VB node) of 1225V
  • Up to 1200V operating voltages (VS node)
  • 100V negative VS transient voltage immunity
    • With repetitive 700ns pulses
  • 2.3A/4.6A peak output source/sink current capability
  • Integrated ultra-fast Over-Current Protection (OCP)
    • ±5% high accuracy reference threshold
    • Less than 1µs over-current sensor to output shutdown
  • Integrated ultra-fast and low-resistance bootstrap diode
  • Integrated dead-time and shoot-through prevention logic (2ED1322S12M)
  • Enable, fault, and programmable fault clear RFE input
  • Logic operational up to -8V on VS pin
  • Independent per channel Undervoltage Lockout (UVLO)
  • 25V VCC maximum supply voltage
  • Separate Logic (VSS) and output ground (COM)
  • Greater than 5mm clearance/creepage
  • 2kV HBM ESD capability

Specifications

  • VS_OFFSET = 1200V maximum
  • Io+ / Io- = 2.3A/4.6A peak
  • VCC = 13V to 20V typical
  • Propagation delay = 500ns typical
  • Dead-time = 380ns typical

Applications

  • Industrial drives
  • Embedded inverters for motor control in pumps and fans
  • Commercial and lite commercial air conditioning

2ED1322S12M Block Diagram

Block Diagram - Infineon Technologies EiceDRIVER™ 1200V Half Bridge Gate Drivers

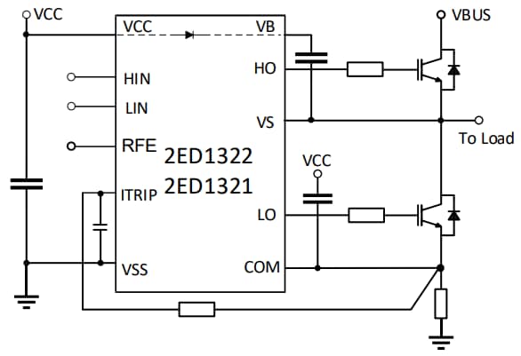
Typical Application Circuit Diagram

Application Circuit Diagram - Infineon Technologies EiceDRIVER™ 1200V Half Bridge Gate Drivers
Publicado: 2023-05-12 | Actualizado: 2023-06-02