Infineon Technologies CYW20736 BLUETOOTH® Low Energy SoC

Infineon Technologies CYW20736 BLUETOOTH® Low Energy SoC features a 200nA power-down current, 3.63V input signal range, and 2402MHz to 2480MHz frequency range. The CYW20736 supports the entire spectrum of Bluetooth Smart use cases for medical, home automation, accessory, sensor, Internet of Things (IoT), and wearable market segments. The CYW20736 Bluetooth Low Energy SoC is a monolithic component implemented in a standard digital CMOS process and requires minimal external components to make a fully compliant Bluetooth device. The Infineon CYW20736 is available in a 32-pin, 5mm × 5mm 32-QFN package and WLCSP and die packages.

Applications

  • Alliance for Wireless Power (A4WP) wireless charging
  • Bluetooth Low Energy (BLE) compliant 
  • Infrared modulator
  • IR learning
  • Supports Adaptive Frequency Hopping (AFH)
  • Excellent receiver sensitivity
  • 10-bit auxiliary ADC with nine analog channels
  • On-chip support for serial peripheral interface (master and slave modes) 
  • Broadcom Serial Communications interface (compatible with NXP I2C slaves)
  • Programmable output power control 
  • Integrated Arm® Cortex®-M3 based microprocessor core
  • Automation profile
  • Support for secure OTA
  • On-chip power-on reset (POR)
  • Support for EEPROM and serial flash interfaces
  • Integrated low-dropout regulator (LDO) 
  • On-chip software-controlled power management unit
  • 32-pin 32-QFN package (5mm × 5mm); 80-pin WLCSP package (2104μm × 2085μm)
  • RoHS compliant

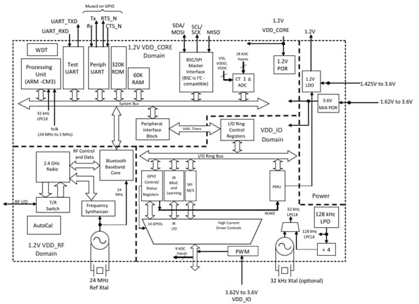
Block Diagram

Block Diagram - Infineon Technologies CYW20736 BLUETOOTH® Low Energy SoC
Publicado: 2019-09-19 | Actualizado: 2024-01-30