Harwin Datamate PIHR Throughboard Connectors

Harwin Datamate Pin-in-Hole Reflow (PIHR) Throughboard Connectors are available in two variants: 2- to 3-position single-row with a secure latched fixing format (L-Tek) and 4- to 50-position double-row with a robust jackscrew fixing (J-Tek). These connectors are designed with resilient, low-frequency contacts optimized for reliable signal integrity. The PIHR-compatible contacts enable automated throughboard reflow assembly processes without compromising mechanical retention to the PCB. Additional features include flame-retardant, glass-filled UL 94V-0 housing and stainless-steel jackscrews for enhanced durability under vibration and temperature extremes. Harwin PIHR connectors are ideal for aerospace, oil and gas, military, and robotics applications.

Features

  • Short tail design
  • Jackscrew format
  • LF contactors available
  • 2 to 50 positions
  • Single or double row
  • Glass-filled, UL 94V-0 molding

Applications

  • Aerospace
  • Aviation
  • Robotics
  • Oil and gas
  • Autosports
  • Military
  • Harsh environment vehicles

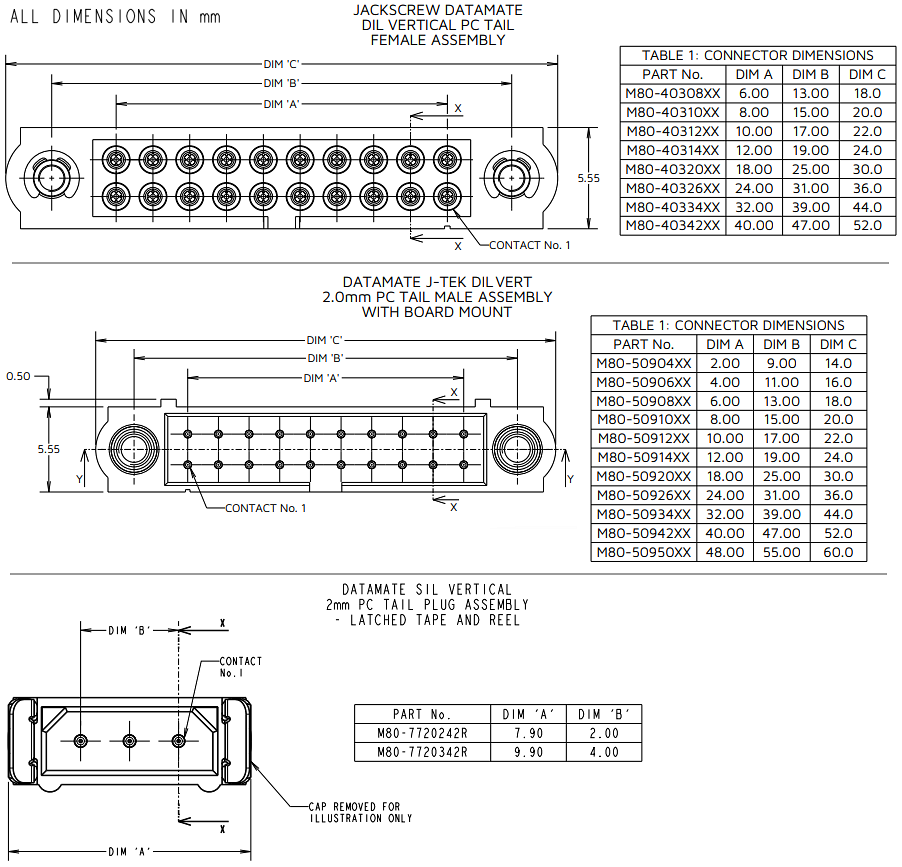
Dimensions

Mechanical Drawing - Harwin Datamate PIHR Throughboard Connectors
Publicado: 2025-05-13 | Actualizado: 2025-08-08