Diotec Semiconductor PT3000T Standard Recovery Rectifier Diode

Diotec Semiconductor PT3000T Standard Recovery Rectifier Diode features high power dissipation and VRRM up to 1000V. This rectifier diode includes UL 94V-0 case material and weighs approximately 1.8g. The PT3000T standard recovery rectifier diode is packaged in 50/1000 tubes/cardboard. This rectifier is RoHS and REACH compliant. The PT3000T standard recovery rectifier diode operates at -50°C to 150°C junction temperature range, <5µA leakage current, and 85pF typical junction capacitance. This rectifier is ideally used in power supplies, polarity protection, commercial/industrial grade, and 50Hz/60Hz mains rectification.

Features

  • High power dissipation
  • VRRM up to 1000V
  • RoHS and REACH compliant
  • UL 94V-0 case material

Specifications

  • <5µA leakage current
  • 30A maximum average forward current
  • 70A repetitive peak forward current
  • 85pF typical junction capacitance
  • 260°C/10s  solder and assembly conditions
  • -50°C to 150°C junction temperature range
  • -50°C to 175°C storage temperature range

Applications

  • Power supplies
  • Polarity protection
  • Commercial/industrial grade
  • 50Hz/60Hz mains rectification

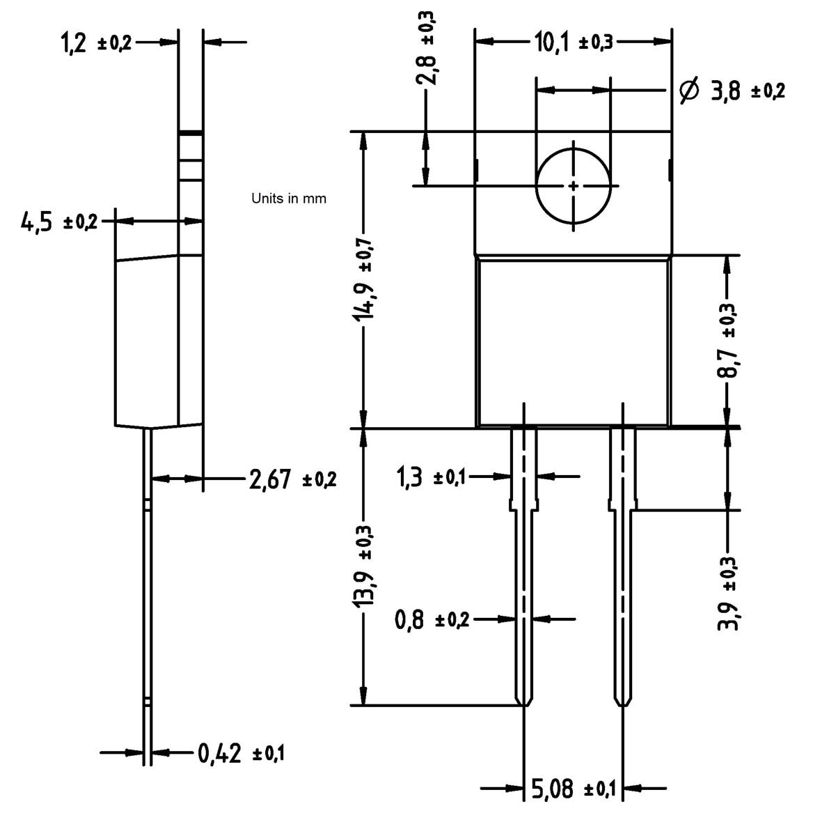
Dimension Diagram

Mechanical Drawing - Diotec Semiconductor PT3000T Standard Recovery Rectifier Diode
Publicado: 2023-11-30 | Actualizado: 2023-12-21