Diotec Semiconductor LDI559xEN Voltage Regulators

Diotec Semiconductor LDI559xEN Voltage Regulators are low dropout positive fixed voltage regulators with a thermal overload protection function. These regulators feature 250K/W typical junction to case thermal resistance, 160mV dropout voltage at 100mA output current, 500mW power dissipation, and an ON/Off function (EN). The LDI559xEN regulators are RoHS and REACH-compliant. These regulators are used in DC-DC converters, electricity meters, smart meters, high-efficiency linear regulators, and active SCSI termination regulators.

Features

  • 1.8V, 3V, 3.3V, 3.6V, and 5V fixed voltages
  • 160mA dropout voltage at 100mA output current
  • On/Off function (EN)
  • Low power consumption
  • Thermal overload protection
  • 300mA output current
  • 500mW power dissipation
  • 250K/W typical junction to case thermal resistance
  • 18V maximum input voltage
  • RoHS and REACH compliant

Applications

  • DC-DC converters
  • Electricity meters
  • High-efficiency linear regulators
  • Smart meters
  • Active SCSI termination regulators
  • Post regulators for switch mode

Block Diagram

Block Diagram - Diotec Semiconductor LDI559xEN Voltage Regulators

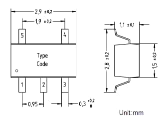
Dimensions Diagram

Mechanical Drawing - Diotec Semiconductor LDI559xEN Voltage Regulators
Publicado: 2024-04-29 | Actualizado: 2024-05-30