Diodes Incorporated AL3069Q Automotive Display LED-Backlight Drivers

Diodes Incorporated AL3069Q Automotive Display LED-Backlight Drivers are high-efficiency 60V boost controllers designed specifically for automotive LED backlight applications. These drivers integrate four 80V high-precision current sink channels and offer robust fault diagnostics to ensure reliable operation in demanding environments. The AL3069Q LED drivers feature a built-in adaptive voltage control and operate over a wide input voltage range from 4.5V to 60V. These drivers offer an adjustable switching frequency of 100kHz to 1MHz, and a minimum PWM dimming duty cycle of 1/5000 can be achieved at 100Hz. The AL3069Q drivers are available in the TSSOP-16EP (Type DX) and UQFN4040-16/SWP (Type UXB) packages. These LED-backlight drivers are qualified to AEC-Q100 Grade 1 and are automotive grade to support PPAPs. The AL3069Q drivers feature some of the most advanced fault-diagnostics and robust protections, making them ideal for applications like automotive infotainment, instrument clusters, and smart mirrors.

Features

  • AEC-Q100 grade 1 qualified
  • Boost or SEPIC DC/DC controller
  • Built-in adaptive voltage feedback
  • 4.5V to 60V input-voltage range 
  • High-voltage pins CS and OVP for safety test
  • 100kHz to 1MHz switching frequency range
  • Four high-precision current sinks
  • 250mA per string and 400mA pulse current
  • Typical ±0.5% channel-to-channel current matching
  • Supports direct PWM dimming
  • Extensive fault diagnostics
  • Open-drain fault report pin
  • Minimum PWM dimming duty cycle achieved 1/5000 at 100Hz dimming frequency
  • LED open/short protection
  • Schottky diode/inductor short-circuit protection
  • Built-in protections:
    • Over Current Protection (OCP)
    • Over Voltage Protection (OVP)
    • Over Temperature Protection (OTP)
    • Under Voltage Lockout (UVLO)
  • VOUT Short/Schottky diode open protection
  • Totally lead-free and fully RoHS compliant
  • Halogen and Antimony-free ["Green" device]

Applications

  • Automotive infotainments
  • Automotive instrument clusters
  • Smart mirrors
  • Heads-up Displays (HUDs)

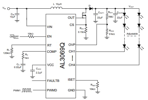
Application Circuit Diagram

Application Circuit Diagram - Diodes Incorporated AL3069Q Automotive Display LED-Backlight Drivers

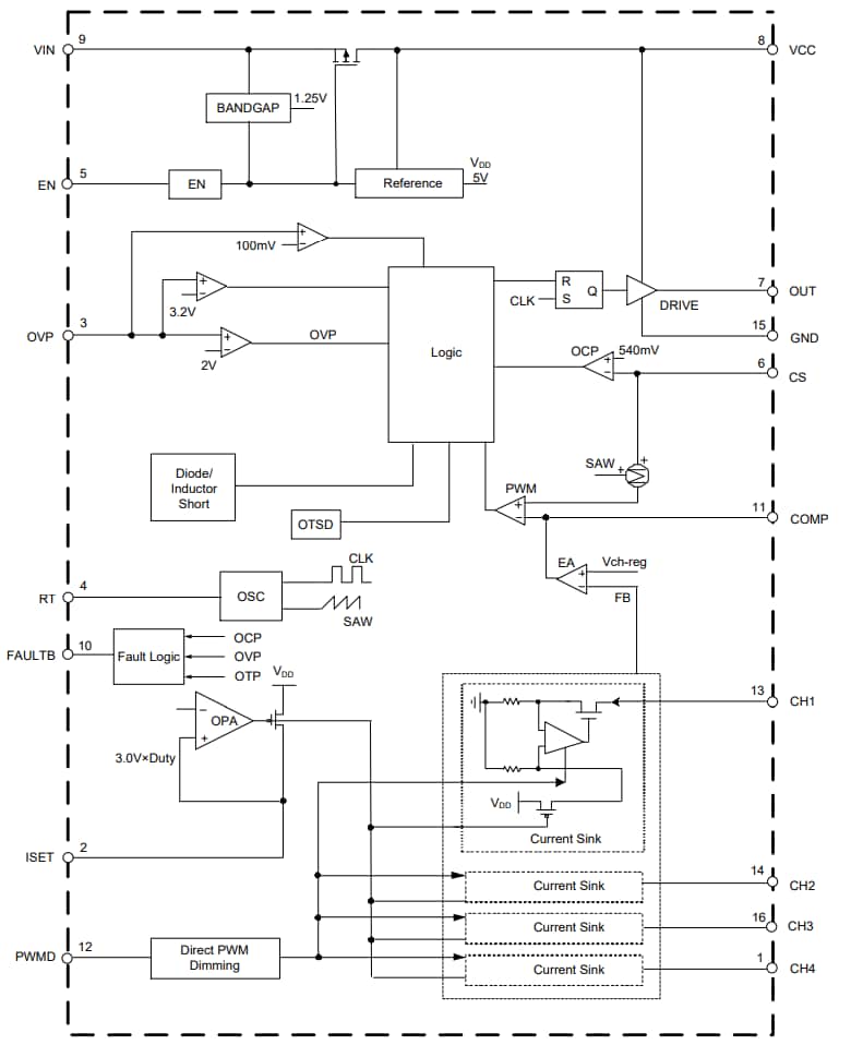
Functional Block Diagram

Block Diagram - Diodes Incorporated AL3069Q Automotive Display LED-Backlight Drivers
Publicado: 2025-10-07 | Actualizado: 2025-11-21