Coto Technology CotoMOS® C2x High-Current MOSFET Relays

Coto Technology CotoMOS® C2x High-Current MOSFET Relays feature high-current switching capabilities of up to 5A and can handle up to 60V conditions. These relays provide up to 1500V of input to output isolation and ON resistance as low as 0.02Ω nominal. CotoMOS relays provide high performance for applications that require low input power, low ON resistance, and virtually unlimited life. The MOSFET relays are designed for use in automatic test equipment, industrial controls, and measurement and instrumentation applications. Additional suitable applications include security systems and AI applications that require low ON resistance. Coto Technology CotoMOS C2x High-Current MOSFET Relays are packaged in a 1A, 4-pin surface-mount SOP configuration.

Features

  • Arc-free with no snubbing circuits
  • High-reliability, solid-state design
  • RoHS compliant

Applications

  • Automatic test equipment (ATE)
  • Industrial controls
  • Instrumentation
  • Measurement equipment

Specifications

  • C224S
    • 1A contact form
    • 40V load voltage
    • 3.5A load current
    • 0.05Ω nominal ON resistance
    • 100pF typical output capacitance
    • 0.1µA maximum off-state leakage current
    • 1500Vrms input/output isolation
  • C236S
    • 1A contact form
    • 60V load voltage
    • 2.5A load current
    • 0.06Ω nominal ON resistance
    • 150pF typical output capacitance
    • 1µA maximum off-state leakage current
    • 1500Vrms input/output isolation
  • C241S
    • 1A contact form
    • 20V load voltage
    • 5A load current
    • 0.02Ω nominal ON resistance
    • 150pF typical output capacitance
    • 1µA maximum off-state leakage current
    • 1500Vrms input/output isolation

Schematic

Schematic - Coto Technology CotoMOS® C2x High-Current MOSFET Relays

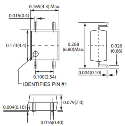
Device Dimensions

Mechanical Drawing - Coto Technology CotoMOS® C2x High-Current MOSFET Relays
Publicado: 2024-10-17 | Actualizado: 2024-11-01