Comchip Technology BAT54-HF SMD Schottky Barrier Diodes
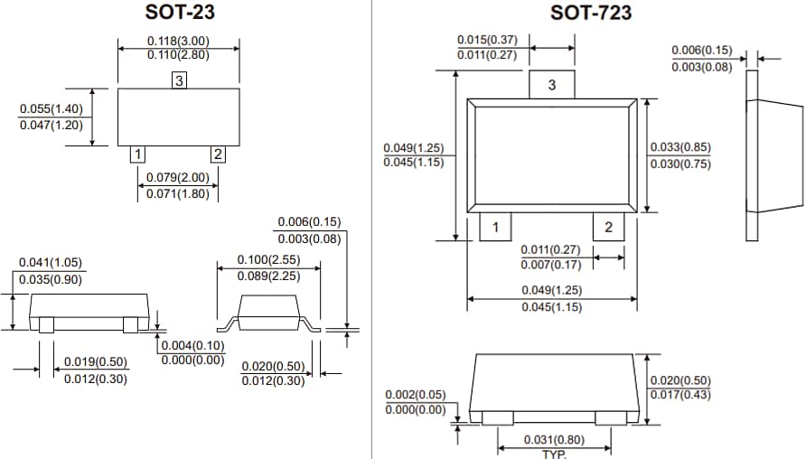
Comchip Technology BAT54-HF SMD Schottky Barrier Rectifiers combine a fast switching speed, low forward voltage drop, and high current capability. These rectifiers are offered in a surface-mount SOT-23 or SOT-723 package and are ideal for pick-and-place assembly. The modules feature a 30V maximum repetitive peak reverse voltage. Comchip Technology BAT54-HF SMD Schottky Barrier Rectifiers are RoHS compliant and halogen free. The ABAT54M-HF series is AEC-Q101 qualified.Features
- High current capability
- Low forward voltage drop
- Extremely fast switching speed
- Easy pick-and-place
- AEC-Q101 qualified available (ABAT54M-HF)
- 30V maximum repetitive peak reverse voltage
- 21V maximum RMS voltage
- 30VDC maximum blocking voltage
- 200mA maximum average forward rectified current
- 600mA peak forward surge current, 8.3ms single half sine-wave
- 500°C/W typical thermal resistance
- 200mW power dissipation
- +125°C maximum junction temperature
- SOT-23 or SOT-723 molded plastic case
- UL 94V-0-rated epoxy
- RoHS compliant and halogen free
Applications
- Low voltage rectification
- Switch-mode power supplies
- Reverse polarity protection
- Low-power consumption
Dimensions - in (mm)
Publicado: 2019-09-24
| Actualizado: 2024-09-09
