Arduino MKR Therm Shield

Arduino MKR Therm Sheild provides a perfect gateway for professional thermal sensors. This Arduino therm shield can be connected to a type k thermocouple, a fork connector, and the DS18B20 "1 wire" digital thermometer. The MKR therm shield offers serial and one wire interface and is 65mm x 25mm.

The MKR therm shield is based on a MAX31855 thermocouple digital interface that offers high accuracy and a wide range of measured temperatures. This Therm shield derives its applications in professional and precise thermometer projects. 

Features

  • Connections access
    • Thermocouple with k-type connector
    • Fork connector
    • DS18B20 "1 wire" digital thermometer
  • Serial and one wire interface
  • 65mm x 25mm dimensions

Applications

  • Professional and precise thermometer projects
  • Cold chain checker
  • Professional thermal sensors

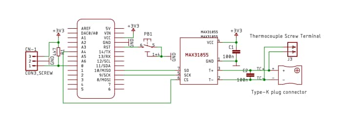
Schematic

Schematic - Arduino MKR Therm Shield

Pin Diagram

Arduino MKR Therm Shield
Publicado: 2019-05-08 | Actualizado: 2023-05-02