Apacer Technology Inc. SV240-300 Serial ATA Flash Drives
Apacer Technology Inc. SV240-300 Serial ATA Flash Drives are well-balanced Solid State Disk (SSD) drives with a standard form factor and outstanding performance. These flash drives deliver up to 560MB/sec sequential read and 600MB/sec burst read/write. Designed with SATA-based connector pinouts and in a SATA 6Gbps interface, SV240-300 drives fully comply with the SATA Revision 3.2 interface specifications delivering superb performance. The SV240-300 serial ATA flash drives feature Advanced Encryption Standard (AES), ensuring the data is always safeguarded. These flash drives feature a 3.3V±5% supply voltage and a 0°C to 70°C standard operating temperature range. The SV240-300 flash drives appear in 50.80mm x 29.85mm x 4.85mm dimensions and include LED indicators for drive behavior.
Features
- Flash management:
- Low-Density Parity-Check (LDPC) code
- Global wear leveling
- Flash bad-block management
- Flash translation layer - page mapping
- S.M.A.R.T.
- DataDefender™
- Device sleep
- ATA secure erase
- TRIM
- Hyper cache technology
- Over-provisioning
- DataRAID™
- SMART Read Refresh™
- Performance:
- 600MB/sec burst read/write
- Up to 560MB/sec sequential read
- 52-pin mSATA connector
- Security:
- AES 256-bit hardware encryption
- Trusted Computing Group (TCG) Opal 2.0 (optional)
- Reliability:
- Thermal sensor
- End-to-End Data protection
- LED indicators for drive behavior
- RoHS compliant
Specifications
- Temperature range:
- Operating:
- 0°C to 70°C standard
- -40°C to 85°C wide
- -55°C to 100°C storage
- Operating:
- 3.3V±5% supply voltage
- >3,000,000 hours MTBF
- Form factor:
- JEDEC MO-300
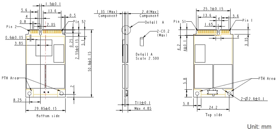
- 50.80mm x 29.85mm x 4.85mm dimensions
- 7.8g ± 5% net weight
Functional Block Diagram
Dimensions
| Número de referencia | Temperatura operativa mínima | Temperatura operativa máxima | Escritura sostenida | Lectura sostenida | Corriente de modo activo | Tamaño de memoria |
|---|---|---|---|---|---|---|
| A72.249HYA.00190 | 40 GB | |||||
| A72.249HZA.00190 | 40 GB | |||||
| A72.249JYA.00190 | 80 GB | |||||
| A72.249JZA.00190 | 80 GB | |||||
| A72.249KYA.00190 | 160 GB | |||||
| A72.249KZA.00290 | 160 GB | |||||
| A72.242JGA.00240 | 0 C | + 70 C | 480 MB/s | 560 MB/s | 530 mA | 256 GB |
| A72.242HGA.00277 | 0 C | + 70 C | 505 MB/s | 565 MB/s | 670 mA | 128 GB |
| A72.242HHA.00277 | - 40 C | + 85 C | 505 MB/s | 565 MB/s | 670 mA | 128 GB |
| A72.242JGA.00377 | 0 C | + 70 C | 505 MB/s | 565 MB/s | 670 mA | 256 GB |
