Analog Devices / Maxim Integrated TMCM-1321 Single Axis Controller/Drivers

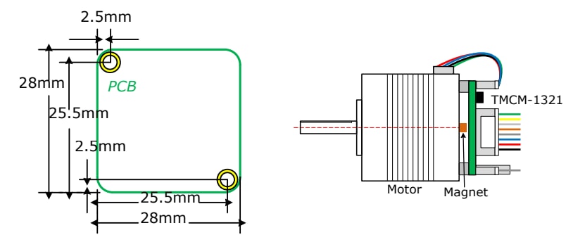
Analog Devices / Maxim Integrated TMCM-1321 Single-Axis Controller/Drivers are designed for 2-phase bipolar stepper motors with separate home and stop switch inputs. The TMCM-1321 enables closed-loop operation with the built-in magnetic encoder, and a suitable magnet is attached to the motor axis. Alternatively, an optical encoder can be connected via digital ABN inputs.

The Analog Devices TMCM-1321 highly integrated stepper motor driver and controller includes a fully-featured hardware motion controller and magnetic encoder chip. The device drives up to 0.7A RMS motor phase current at 24V nominal with configuration and control possible via its RS485 bus interface. The TMCM-1321 Stepper Motors feature a dynamic current control and quiet, smooth, efficient operation with StallGuard™ and CoolStep™ options.

Features

  • Single-axis stepper motor control
  • Supply voltage 24V DC
  • Up to 0.7A RMS (1A peak) motor current
  • Hardware motion controller with different types of ramps
  • Closed-loop operation possible
  • RS485 interface
  • General purpose inputs and outputs
  • ABN encoder input
  • Built-in magnetic encoder chip

Applications

  • Lab automation
  • Manufacturing
  • Robotics
  • Factory automation
  • CNC
  • Laboratory automation

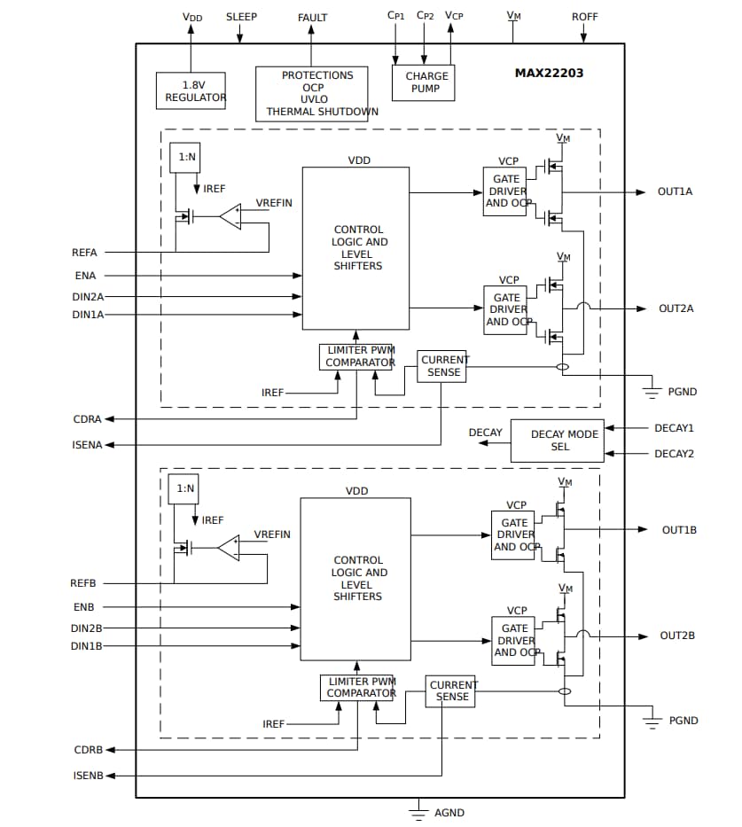
Simplified Block Diagram

Block Diagram - Analog Devices / Maxim Integrated TMCM-1321 Single Axis Controller/Drivers

Dimensions & Motor Assembly

Location Circuit - Analog Devices / Maxim Integrated TMCM-1321 Single Axis Controller/Drivers

Videos

Publicado: 2021-03-01 | Actualizado: 2026-02-03