Analog Devices / Maxim Integrated MAX77640/MAX77641 Ultra-Low Power PMICs

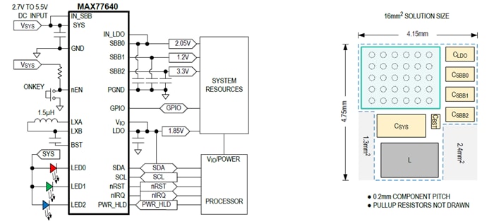
Analog Devices MAX77640/MAX77641 PMICs provide ultra-low power solutions for applications in which size and efficiency are critical. The MAX77640/MAX77641 PMICs integrate a 3-output single-inductor multiple-output (SIMO) buck-boost regulator, a 150mA LDO, a 3-channel current-sink driver, and an I2C serial interface in a compact package with a 16mm2 total solution size.

Capable of supporting >300mA loads (1.8VOUT, 3.7VIN), the 3-output SIMO operates using a 2.7V to 5.5V input voltage, 5.6μA operating current, and 300nA shutdown current. The current sinks can be programmed to blink LEDs in custom patterns. Depending on the ordering option, the outputs are independently programmable from 0.8V to 5.25V. The integrated power sequencer controls the power-up/down order of each output. Each output provides a glitchless transition between the buck and boost operation.

The Analog Devices MAX77640/MAX77641 PMICs are ideally suited for hearables, wearables, and Internet of Things (IoT) Gadgets thanks to the devices' compact size, 3-output SIMO designed to extend battery life, and 150mA LDO that provides ripple rejection in noise-sensitive applications.

Features

  • Compact, high-efficiency power solution
    • 3-output Single-Inductor Multiple-Output (SIMO) buck-boost regulator
    • 150mA LDO
    • 3-channel current-sink driver
    • Flexible power sequencing
    • GPIO and reset output
  • 3-output SIMO extends battery life
    • 2.7V to 5.5V input voltage range from a single-cell Li-Ion
    • 0.8V to 5.25V output voltage range
    • Supports >300mA loads (1.8VOUT, 3.7VIN)
    • Improves overall system efficiency while reducing the size
    • Maintains regulation without dropout, unlike traditional bucks
    • Glitchless buck-boost operation
  • Low quiescent current
    • 300nA shutdown current
    • 5.6μA operating current (3 SIMO channels and LDO on)
  • Small size
    • 2.75mm x 2.15mm (0.7mm max. height) WLP
    • 30-bump, 0.4mm pitch, 6x5 array
    • 16mm2 total solution size

Applications

  • Hearables: BLUETOOTH® headphones and earbuds
  • Wearables: Fitness, health, and activity monitors
  • Action cameras, wearable/body cameras
  • Internet of Things (IoT) gadgets

Simplified Application Circuit

Application Circuit Diagram - Analog Devices / Maxim Integrated MAX77640/MAX77641 Ultra-Low Power PMICs
Publicado: 2018-08-23 | Actualizado: 2023-04-25