Analog Devices / Maxim Integrated MAX38800 & MAX38801 Switching Regulators

Analog Devices MAX38800 and MAX38801 Switching Regulators are highly efficient devices for applications operating from 6.5V to 14V input supplies that require up to a 9A (MAX38800) or 15A (MAX38801) maximum load. The Analog Devices MAX38800 and MAX38801 are single-chip solutions that deliver high-efficiency power for precision outputs that demand a fast transient response. The regulators have various options to enable a wide range of configurations.

Features

  • High-efficiency solution
  • Up to 96% peak
  • Up to 95.5% full load
  • Up to 94% light-load efficiency at 1A with DCM enabled
  • A flexible design allows early PCB definition
  • Footprint compatible with MAX38801 (15A) and MAX38802/MAX38803 (25A)
  • Programmable switching frequency up to 1MHz
  • Programmable soft-start and STAT delay timings
  • Programmable reference voltage with an external input option
  • Programmable positive and negative OCP limit
  • Advanced architecture, protection, and reporting guarantees reliable designs
  • Supports current sourcing and sinking
  • Analog current or temperature reporting
  • Differential remote sense with open-circuit detection
  • Fast transient response with Quick-PWM™ architecture
  • Percentage-based output Power Good and OVP
  • Open-Drain Status Indicator (STAT) pin
  • Input undervoltage and overvoltage lockout
  • Adaptive dead-time control
  • Saves board space
  • Integrated boost switch
  • 19-bump WLCSP (2.2mm x 2.8mm) footprint
  • Operation using ceramic input and output capacitors

Applications

  • Servers/μservers
  • I/O and chipset supplies
  • GPU core supply
  • DDR memory: VDDQ, VPP, and VTT
  • Point-of-Load (PoL) applications

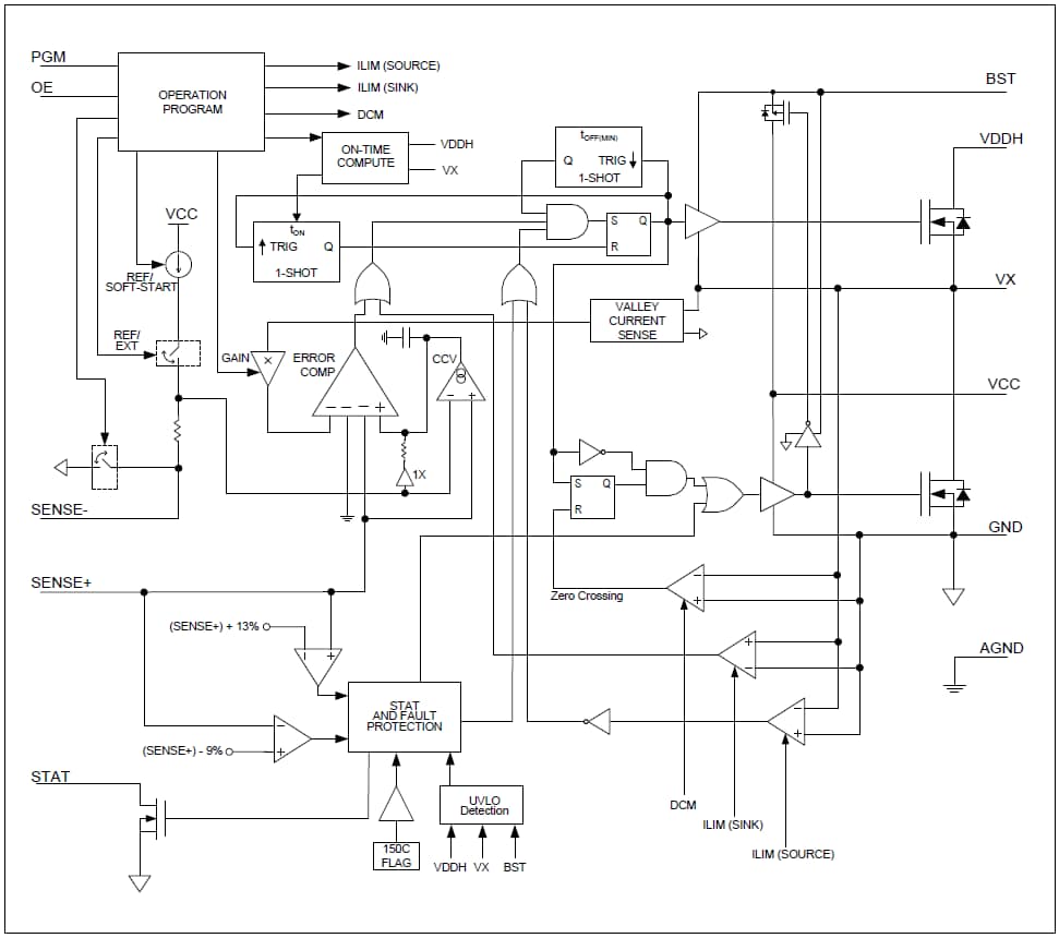
MAX38800 Block Diagram

Block Diagram - Analog Devices / Maxim Integrated MAX38800 & MAX38801 Switching Regulators

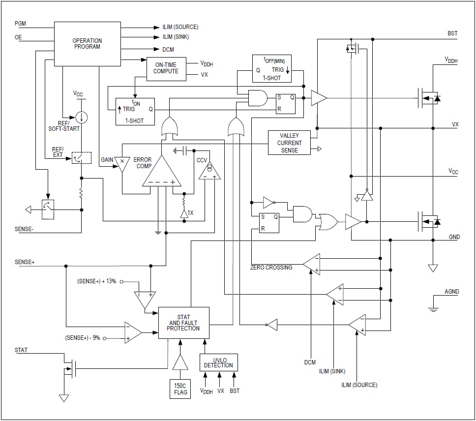
MAX38801 Block Diagram

Block Diagram - Analog Devices / Maxim Integrated MAX38800 & MAX38801 Switching Regulators
Publicado: 2018-01-30 | Actualizado: 2023-04-11