Analog Devices Inc. MAX14917 Industrial Octal High-Side Switch
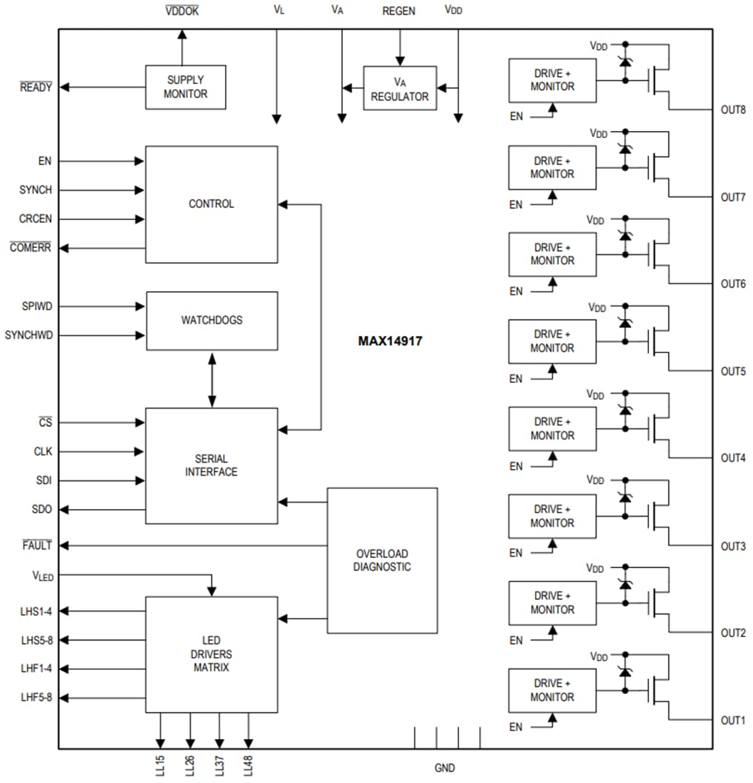
Analog Devices MAX14917 Industrial Octal High-Side Switch has eight high-side switches specified to deliver up to 700mA (minimum) continuous current per channel. The high-side switches have an on-resistance of 120mΩ (typical) at +25°C ambient temperature. The device has an SPI interface that can be daisy-chained, allowing communication with multiple ADI MAX14917 devices utilizing a common SPI chip select (CS). The SPI interface also provides per-channel overload diagnostics. Two watchdog timers provide an additional safety check of the master-to-device connectivity.The MAX14917 features a 4x4 LED cross-bar matrix, which provides a visual indication of channel status and overload conditions for each channel. An integrated line-to-ground and line-to-line surge protection provides robustness to the electrical stress as per IEC 61000-4-5 and requires only one TVS on VDD. The Analog Devices MAX14917 Industrial Octal High-Side Switch is available in a compact 48-pin 6mm x 6mm FC2QFN package.
Features
- Robust solutions
- 65V absolute maximum supply range
- CRC error checking on the SPI interface
- Watchdog timers for monitoring SPI and SYNCH
- Per-channel overload diagnostic and protection
- Loss of VDD or GND protection
- Thermal shutdown protection
- Integrated ±1kV / 42Ω IEC 61000-4-5 surge protection
- ±7kV / IEC 61000-4-2 contact discharge method
- ±30kV / IEC 61000-4-2 air discharge method
- -40°C to +125°C operating ambient temperature
- Reduces power and heat dissipation
- 120mΩ (typical) on-resistance at TA = +25°C
- 2.5mA (typical) supply current
- Accurate output current limiting
- Flexible
- SYNCH input for simultaneous update of switches
- LED driver matrix for 16x LEDs, powered from 3.0V to 36V
- Internal clamps for fast inductive load demagnetization
- Daisy chainable SPI
- Flexible logic voltage interface from 2.5V to 5.5V
- Pin compatible with the MAX14915 and MAX14916 in a daisy-chain configuration
- Compact 6mm x 6mm FC2QFN package
Applications
- Industrial digital outputs
- PLC systems
- Factory automation
- Building automation
- Industrial IoT
Simplified Block Diagram
Publicado: 2020-06-04
| Actualizado: 2024-05-24
