Analog Devices Inc. LTC2876 & LTC2877 RS485 Transceivers
Analog Devices Inc. LTC2876 and LTC2877 RS485 Transceivers are PROFIBUS RS485 transceivers that meet test specifications for PROFIBUS-DP masters and PROFIBUS-DP slaves. The transceivers are fully compatible with IEC 61158-2, type 3: medium attachment unit (MAU). Analog Devices LTC2876/ LTC2877 supports all PROFIBUS data rates up to 12Mbps with operation up to 20Mbps.Features
- PROFIBUS IEC 61158-2 compliant
- Protected from overvoltage line faults to ±60V
- ±52kV ESD interface pins, ±15kV all other pins
- ±2kV (Level 4) IEC61000-4-4 fast transient burst
- ±25V working common-mode range
- 20Mbps maximum baud rate
- 1.65V to 5.5V logic supply pin for flexible digital interfacing (LTC2877)
- Available in small DFN and MSOP packages
- Fully balanced differential receiver thresholds with 240mV hysteresis for superior noise tolerance and low duty cycle distortion
- 5V supply can operate down to 3V for low power, low swing applications
- Receiver failsafe for open, shorted, and terminated conditions
- -40°C to +125°C operating temperature range
Applications
- PROFIBUS-DP
- Industrial communication networks
- RS485 and RS422 systems
- 3V low voltage differential signaling
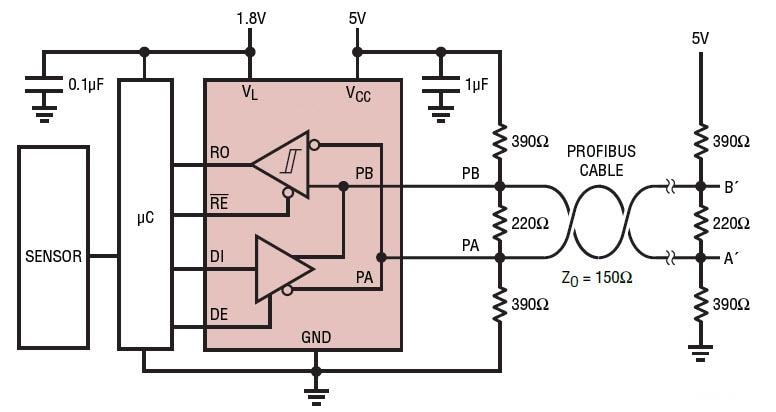
Typical Application
Publicado: 2017-04-25
| Actualizado: 2022-03-11
