Analog Devices Inc. LT8355-1 Dual LED Controller with Scalable Dimming
Analog Devices Inc. LT8355-1 Dual LED Controller is a dual-channel constant-frequency, constant-current/constant-voltage (CC/CV) boost power stage controller designed to drive two strings of high-current LEDs. The fixed frequency, current mode architecture of the LT8355-1 results in stable operation over a wide range of supply and output voltages. Voltage feedback pins serve as the inputs for several LED protection features and make it possible for the converters to operate as constant-voltage sources.The LT8355-1 senses output current at the high side or low side of the load. The product of CTRL2 and IADJ2 inputs provides analog programming of the output current for channel 2. Channel 1 output current is programmed through CTRL1 input. The PWM input and PWMTG high-side PMOS driver provide precision time-based LED dimming capability. When driven by an external digital signal, the PWM input provides LED dimming ratios of up to 20,000:1 at 100Hz. When driven by a constant voltage, the PWM input selects from one of 128 internally generated, precision, exponentially spaced dimming ratios ranging from 0.78% to 100%.
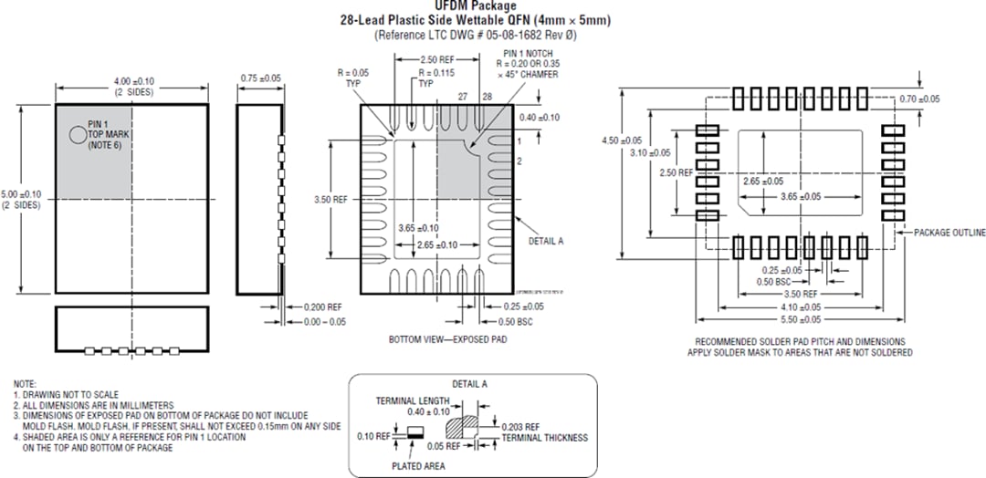
The Analog Devices Inc. LT8355-1 Dual LED Controller is offered in a side solderable 4.0mm × 5.0mm QFN-28 package and is AEC-Q100 qualified for automotive applications.
Features
- AEC-Q100 qualified
- Two independent high-voltage LED driver controller channels
- 128:1 internal exponential PWM dimming
- Two-pin multiplying analog dimming (CH2)
- Spread spectrum frequency modulation
- 20,000:1 external PWM dimming at 100Hz
- 0V to 120V rail-to-rail LED current sensing
- ±2% LED current regulation
- ±2% output voltage regulation
- LED SHORT/OPEN protection and indication
- Wide 5V to 60V input voltage range
- PMOS switch driver for PWM and output disconnect
- Independent channel dimming
- Constant-voltage and constant-current regulation
- 100kHz to 2MHz adjustable switching frequency
- Independent OPEN/SHORT LED FAULT per channel
- Programmable VINUVLO with hysteresis
- -40°C to +125°C operating temperature range
- Side solderable 4.0mm × 5.0mm QFN-28 package
Applications
- High-voltage LED applications
- Automotive headlamps and running lamps
- Accurate current-limited voltage regulators
Typical Application Circuit
Package Outline
