Analog Devices Inc. LT®3380 Power Management Solution

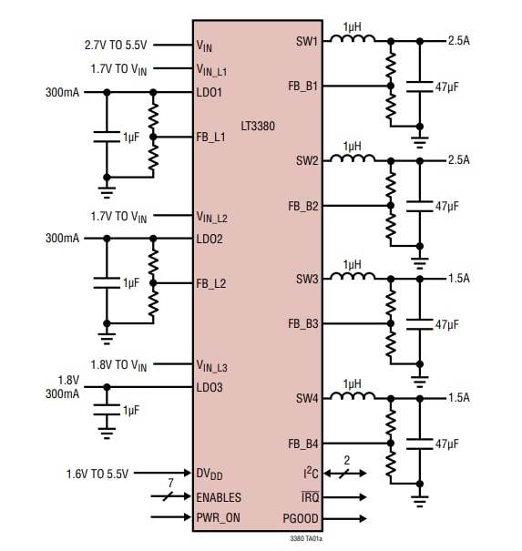
Analog Devices Inc. LT®3380 Power Management Solution is ideal for advanced portable application processor-based systems. The device contains four synchronous step-down DC/DC converters for core, memory, I/O, and system-on-chip (SoC) rails. It also has three 300mA LDO regulators for low noise analog supplies. An I2C serial port controls regulator enables, power-down sequencing, output voltage levels, dynamic voltage scaling, operating modes, and status reporting.

Features

  • Quad (2x 1.5A and 2x 2.5A) I2C adjustable high-efficiency step-down DC/DC converters
  • Three 300mA LDO regulators (2x adjustable)
  • Independent enable pin-strap or I2C sequencing
  • Programmable autonomous power-down control
  • Warnings and faults
  • IRQ pin and IRQ status register
  • Power Good pin and status register
  • +150°C TJ operation (LT3380H)
  • Dynamic voltage scaling
  • Selectable 2.25MHz or 1.12MHz switching frequency
  • 12µA standby current
  • Side wettable 40-lead 6mm × 6mm QFN package

Applications

  • Automotive
  • Industrial
  • Communications
  • General-purpose multichannel power supplies

TYPICAL APPLICATION

Analog Devices Inc. LT®3380 Power Management Solution
Publicado: 2020-04-23 | Actualizado: 2024-09-30