Conmutador no reflectivo SP4T HMC241ALP3E de Analog Devices / Hittite

Conmutador no reflectivo SP4T HMC241ALP3E de Analog Devices / Hittite

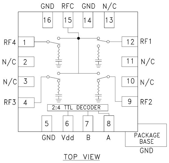
El conmutador no reflectivo SP4T HMC241ALP3E de Analog Devices / Hittite se ofrece como un conmutador SP4T no reflectivo y de uso general que cubre el intervalo de CC de 4 GHz. El conmutador, alojado en un paquete de montaje en superficie sin plomo, ofrece gran aislamiento a 43 dB a 2 GHz y una pérdida de inserción baja de 0,7 dB a 2 GHz. HMC241ALP3E ofrece una polarización individual positiva y compatibilidad real con TTL/CMOS. El descodificador 2:4 integrado requiere solo 2 líneas de control y una polarización positiva para seleccionar cada vía, sustituyendo de 4 a 8 líneas de control que normalmente son necesarias para los conmutadores SP4T GaAs.

Características
  • Gran aislamiento: 43 dB a 2 GHz
  • Pérdida de inserción baja: 0,7 dB a 2 GHz
  • Suministro positivo único: Vdd = +5 V
  • Descodificador TTL 2:4 integrado
  • Paquete SMT de 16 terminales de 3x3 mm: 9 mm²
Aplicaciones
  • Repetidores y estaciones base
  • WLAN, WiMAX y WiBro
  • CATV / DBS
  • Equipo de pruebas
Diagrama funcional
Diagrama funcional
eNews
  • Hittite / Analog Devices
Publicado: 2015-04-30 | Actualizado: 2022-03-11