Analog Devices Inc. EVAL-KW4501Z Integrated Noise KWIK Demo Board
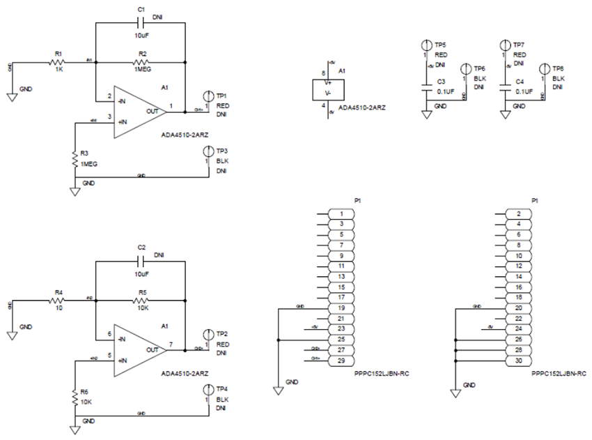
Analog Devices Inc. EVAL-KW4501Z Integrated Noise KWIK Demo Board evaluates and differentiates the integrated noise of a 2-channel operational amplifier. The Analog Devices EVAL-KW4501Z is a companion board to the Integrated Noise KWIK Lecture and Lab Training Module. The board is part of the KWIK Demo Board family, a series of instructional and demonstrative evaluation boards that can be directly plugged into the portable ADALM2000 USB-powered, software-defined test and measurement instrument.The ADA4510-2, the EVAL-KW4501Z’s featured IC, is a dual-channel, high-precision, low-offset voltage, low-noise, rail-to-rail input, and output operational amplifier. The op amp has a wide 6V to 40V supply voltage operation range and can be powered up by the ADALM2000’s onboard ±5V voltage supplies. The EVAL-KW4501Z uses the 8-pin SOIC version of the ADA4510-2 and accommodates other ICs with the same footprint and pin configurations.
Features
- Allows for quick measurement of operational amplifier’s integrated noise
- Accommodates other 8-lead SOIC, dual-channel operational amplifiers with similar pin configurations as DUT
- Plug-and-play feature facilitates attachment onto the ADALM2000 to run quick tests and measurements in Scopy (companion software of ADALM2000)
Applications
- Noise measurement and analysis
- Audio systems
- Wireless communication systems
- Medical instrumentation
- Signal processing
- Power supply and voltage regulation systems
- Semiconductor testing and development
- Consumer electronics
- High-precision industrial equipment
Required Equipment
- ADALM2000 Active-Learning module
- USB-A to Micro-USB cable
- Computer
Overview
Circuit Configuration of Each Channel
Schematic
Publicado: 2025-02-20
| Actualizado: 2025-02-25
